设为首页
收藏本站
所有帖子
关于我们
联系我们
微信群
开启辅助访问
搜索
搜索
本版
用户
门户
Portal
资讯
液压资讯
观点
观点
产品
液压产品
技术
液压技术
合集
导读
Guide
下载
签到
金币
论坛
BBS
登录
立即注册
腾讯QQ
账号
自动登录
找回密码
密码
登录
立即注册
只需一步,快速开始
好友
动态
收藏
分享
帖子
日志
记录
相册
留言板
勋章
任务
道具
设置
退出
液压圈
»
论坛
›
液压系统
›
故障诊断
›
液压符号请教
负载敏感资料下载
|
液压培训资料下载
|
液压样本下载
|
AMESim资料下载
|
力士乐资料下载
|
挖掘机资料下载
|
标准资料下载
|
多路阀资料下载
返回列表
查看:
4308
|
回复:
4
液压符号请教
[复制链接]
dy1xue
dy1xue
当前离线
积分
1131
注册时间
2012-11-3
最后登录
1970-1-1
IP卡
狗仔卡
打卡等级:论坛老炮
打卡总天数:1408
打卡总奖励:2671
发表于 2014-5-29 21:59:45
|
显示全部楼层
|
阅读模式
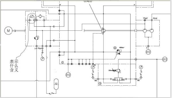
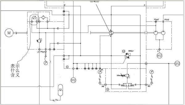
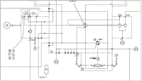
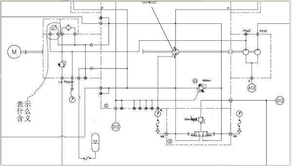
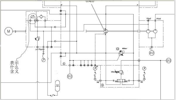
图示符号一般表示什么,谢谢大家知道
回复
使用道具
举报
提升卡
置顶卡
变色卡
liugde
liugde
当前离线
积分
222
注册时间
2014-3-22
最后登录
1970-1-1
IP卡
狗仔卡
发表于 2014-5-30 07:33:43
|
显示全部楼层
应该是一个阀件,你把图纸和说明书发全了,才能确认
回复
使用道具
举报
fkccc123
fkccc123
当前离线
积分
458
注册时间
2011-5-1
最后登录
1970-1-1
IP卡
狗仔卡
打卡等级:即来则安
打卡总天数:186
打卡总奖励:554
发表于 2014-5-30 09:51:42
|
显示全部楼层
这不是传感器吗,堵塞报警那个
回复
使用道具
举报
海中游
海中游
当前离线
积分
1136
注册时间
2011-8-11
最后登录
1970-1-1
IP卡
狗仔卡
打卡等级:以坛为家
打卡总天数:769
打卡总奖励:1211
发表于 2014-5-30 11:15:25
|
显示全部楼层
fkccc123 发表于 2014-5-30 09:51
这不是传感器吗,堵塞报警那个
像是过滤器堵塞报警阀的回路。
回复
使用道具
举报
ye124
ye124
当前离线
积分
103
注册时间
2013-6-1
最后登录
1970-1-1
IP卡
狗仔卡
发表于 2014-5-31 06:35:26
|
显示全部楼层
压力传感器
回复
使用道具
举报
返回列表
高级模式
B
Color
Image
Link
Quote
Code
Smilies
您需要登录后才可以回帖
登录
|
立即注册
本版积分规则
发表回复
回帖后跳转到最后一页
浏览过的版块
液压技术
工程机械
AMESim
测试技术
快速回复
返回顶部
返回列表