搜索
金币充值液压资料下载官方微信群
查看: 10570|回复: 9

冲洗阀是怎么工作的?

  [复制链接]
  • 打卡等级:偶尔看看
  • 打卡总天数:61
  • 打卡总奖励:174
发表于 2014-5-31 08:37:59 | 显示全部楼层 |阅读模式
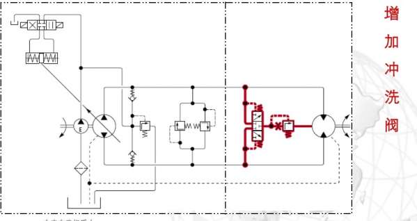
今天看到液压闭式系统中液压,其中的冲洗阀是怎么工作的?
QQ图片20140531083925.jpg
  • 打卡等级:无名新人
  • 打卡总天数:6
  • 打卡总奖励:32
发表于 2014-5-31 09:21:49 来自手机 | 显示全部楼层
低压侧油液冲洗马达壳体
回复

使用道具 举报

发表于 2014-5-31 15:19:47 来自手机 | 显示全部楼层
通过主油泵x3,x4口压力推动冲洗阀中的换向阀,使换向阀换向,目的是让一部分液压油回到油箱,达到散热,冷却的目的。所以叫冲洗阀。
回复

使用道具 举报

发表于 2014-5-31 21:05:06 | 显示全部楼层
低压侧的油液,通过那个三位阀,以及后面的那个低压溢流阀,油液流出后冲洗马达的轴承和壳体
回复

使用道具 举报

发表于 2014-6-1 07:34:38 | 显示全部楼层
我觉得是像是:压侧的油,经过三位液动阀,然后再经过减压阀,去冲洗马达。
回复

使用道具 举报

  • 打卡等级:论坛老炮
  • 打卡总天数:1373
  • 打卡总奖励:5145
发表于 2014-6-1 10:17:30 | 显示全部楼层
梭阀中的热油阀(低压侧的油液通过),以及后面的那个低压溢流阀,油液流出冲洗马达的轴承和壳体
回复

使用道具 举报

发表于 2014-10-10 22:47:10 | 显示全部楼层
这个图错了吧,冲洗阀是把系统内热油置换,回油箱的,马达的壳体泄油应该回油箱的
回复

使用道具 举报

发表于 2014-10-24 23:46:05 | 显示全部楼层
冲洗阀好像有两个功能:散热和冲洗。
回复

使用道具 举报

  • 打卡等级:初来乍到
  • 打卡总天数:56
  • 打卡总奖励:228
发表于 2015-9-5 02:04:23 | 显示全部楼层
zhym6339 发表于 2014-6-1 07:34
我觉得是像是:高压侧的油,经过三位液动阀,然后再经过减压阀,去冲洗马达。

用的是低压优先梭阀,保证高压做功~
回复

使用道具 举报

  • 打卡等级:偶尔看看
  • 打卡总天数:68
  • 打卡总奖励:218
发表于 2015-11-19 23:18:52 | 显示全部楼层
低压冲洗马达壳体。马达壳体应该有油路回邮箱达到闭式系统散热的作用。
回复

使用道具 举报

您需要登录后才可以回帖 登录 | 立即注册

本版积分规则