设为首页
收藏本站
所有帖子
关于我们
联系我们
微信群
开启辅助访问
搜索
搜索
本版
用户
门户
Portal
资讯
液压资讯
观点
观点
产品
液压产品
技术
液压技术
合集
导读
Guide
下载
签到
金币
论坛
BBS
登录
立即注册
腾讯QQ
账号
自动登录
找回密码
密码
登录
立即注册
只需一步,快速开始
好友
动态
收藏
分享
帖子
日志
记录
相册
留言板
勋章
任务
道具
设置
退出
液压圈
»
论坛
›
液压系统
›
AMESim
›
状态变量设置问题?大家帮忙看看!多谢
负载敏感资料下载
|
液压培训资料下载
|
液压样本下载
|
AMESim资料下载
|
力士乐资料下载
|
挖掘机资料下载
|
标准资料下载
|
多路阀资料下载
返回列表
查看:
3916
|
回复:
0
状态变量设置问题?大家帮忙看看!多谢
[复制链接]
laohai5000
laohai5000
当前离线
积分
7
注册时间
2014-6-6
最后登录
1970-1-1
IP卡
狗仔卡
发表于 2014-6-8 18:32:09
|
显示全部楼层
|
阅读模式
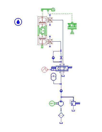
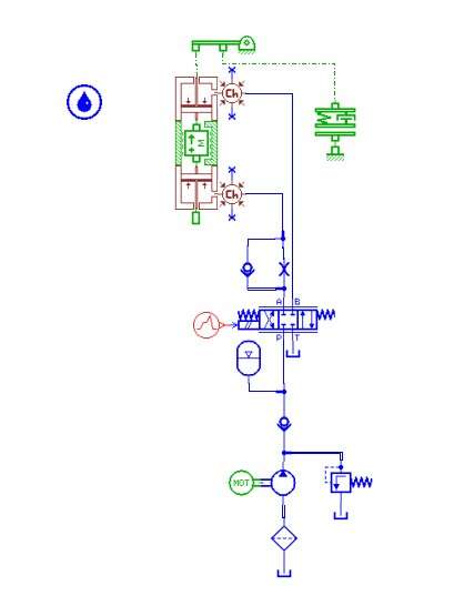
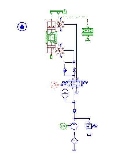
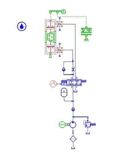
我做一个液压缸夹具模型,比如
油缸
开始动作行程从0升到200mm到头后,现在装上工件150mm,所以油缸回落时只能回落50,我想把油缸上升和下降一起进行仿真,模型见附图
模型图
,我想用LSTP00
来设置间隙,问题来了,现在油缸是上升是200mm,下落是50mm就碰到工件,我一开始就设置50mm根本不行,因为油缸上升时间隙随着一起上升至250mm,
我要的是油缸回落50mm时就夹紧工件不下落。有什么好的解决方法。
夹具
,
模型
相关帖子
.
黄山工业泵 HSNH2900螺杆泵 模型
.
分享一款 松下伺服电机模型 型号:MSMF5AZL1C2
.
PRB 25 手动泵 模型
.
外啮合齿轮泵模型
.
HYDAC 贺德克 RFM内置回油过滤器 模型
.
SW管接头模型,需要的自行下载
.
请教关于AMESIM液压建模问题
.
AMESim中如何通过改变电流控制电磁线圈以及电磁铁带动活塞运动
.
两档变速箱模型
.
Parker 接头模型
回复
使用道具
举报
提升卡
置顶卡
变色卡
返回列表
高级模式
B
Color
Image
Link
Quote
Code
Smilies
您需要登录后才可以回帖
登录
|
立即注册
本版积分规则
发表回复
回帖后跳转到最后一页
浏览过的版块
公告区
液压技术
资料下载
快速回复
返回顶部
返回列表