设为首页
收藏本站
所有帖子
关于我们
联系我们
微信群
开启辅助访问
搜索
搜索
本版
用户
门户
Portal
资讯
液压资讯
观点
观点
产品
液压产品
技术
液压技术
合集
导读
Guide
下载
签到
金币
论坛
BBS
登录
立即注册
腾讯QQ
账号
自动登录
找回密码
密码
登录
立即注册
只需一步,快速开始
好友
动态
收藏
分享
帖子
日志
记录
相册
留言板
勋章
任务
道具
设置
退出
液压圈
»
论坛
›
液压系统
›
工程机械
›
小东西,大智慧———掘进设备防卡死技术 ...
负载敏感资料下载
|
液压培训资料下载
|
液压样本下载
|
AMESim资料下载
|
力士乐资料下载
|
挖掘机资料下载
|
标准资料下载
|
多路阀资料下载
返回列表
查看:
5464
|
回复:
6
[掘进机]
小东西,大智慧———掘进设备防卡死技术
[复制链接]
xiaoshxin
xiaoshxin
当前离线
积分
1997
注册时间
2010-12-4
最后登录
1970-1-1
IP卡
狗仔卡
发表于 2014-6-10 22:34:18
|
显示全部楼层
|
阅读模式
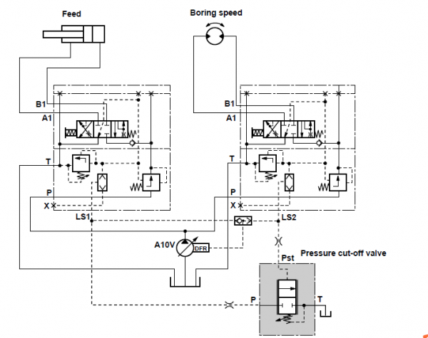
一个很普通的阀实现了掘进设备防卡死功能:掘进设备其工作装置推进与旋转复合动作,推进过快,推进力过大,均会导致旋转运动压力上升,过载,此时必须减小甚至停止推进运动来减小旋转压力,防止过载。看看一个很简单的阀是怎么实现该功能的
大智慧
,
技术
相关帖子
.
液压自动对中柱塞副
.
进口液压压力开关,压力表/传感器供应-苏州西帕技术
.
求助:比例阀伺服阀修复技术协议模版
.
液压自动对中技术在液压缸中的应用
.
高可靠性柱塞泵的秘密——核心技术
.
液压自动对中柱塞副锥度布置
.
基于模型的整车传动系集成开发技术研讨会
.
液压技术
.
砂型3D打印技术在多路阀试制上的应用
.
平衡阀选型技术说明-油缸
回复
使用道具
举报
提升卡
置顶卡
变色卡
hetao0855
hetao0855
当前离线
积分
53
注册时间
2010-1-15
最后登录
1970-1-1
IP卡
狗仔卡
发表于 2014-6-10 23:00:00
|
显示全部楼层
就是靠那个压力切断阀控制,当旋转压力过载时,推进那边的LS卸载,使两者协调动作。这个感觉工程机械上有很多类似的用法。
回复
使用道具
举报
a-kui
a-kui
当前离线
积分
193
注册时间
2011-6-4
最后登录
1970-1-1
IP卡
狗仔卡
打卡等级:无名新人
打卡总天数:4
打卡总奖励:4
发表于 2014-6-11 09:27:18
|
显示全部楼层
这应该就是所谓的“防卡纤”控制回路吧!
回复
使用道具
举报
a-kui
a-kui
当前离线
积分
193
注册时间
2011-6-4
最后登录
1970-1-1
IP卡
狗仔卡
打卡等级:无名新人
打卡总天数:4
打卡总奖励:4
发表于 2014-6-11 09:28:18
|
显示全部楼层
凿岩台车,露天潜孔钻机等钻进设备中必须有的!
回复
使用道具
举报
313996335
313996335
当前离线
积分
357
注册时间
2011-5-21
最后登录
1970-1-1
IP卡
狗仔卡
发表于 2014-6-11 10:47:55
|
显示全部楼层
想的很好
受教了。。。
回复
使用道具
举报
卖女孩的火柴
卖女孩的火柴
当前离线
积分
1127
注册时间
2011-10-9
最后登录
1970-1-1
IP卡
狗仔卡
打卡等级:伴坛终老
打卡总天数:2638
打卡总奖励:6470
发表于 2014-6-11 11:47:06
|
显示全部楼层
恩 不错
回复
使用道具
举报
想你的样子
想你的样子
当前离线
积分
131
注册时间
2013-11-23
最后登录
1970-1-1
IP卡
狗仔卡
打卡等级:无名新人
打卡总天数:17
打卡总奖励:69
发表于 2014-6-24 13:59:46
|
显示全部楼层
不少工程机械也用类似控制
回复
使用道具
举报
返回列表
高级模式
B
Color
Image
Link
Quote
Code
Smilies
您需要登录后才可以回帖
登录
|
立即注册
本版积分规则
发表回复
回帖后跳转到最后一页
浏览过的版块
液压泵马达
液压技术
供求信息
快速回复
返回顶部
返回列表