设为首页
收藏本站
所有帖子
关于我们
联系我们
微信群
开启辅助访问
搜索
搜索
本版
用户
门户
Portal
资讯
液压资讯
观点
观点
产品
液压产品
技术
液压技术
合集
导读
Guide
下载
签到
金币
论坛
BBS
登录
立即注册
腾讯QQ
账号
自动登录
找回密码
密码
登录
立即注册
只需一步,快速开始
好友
动态
收藏
分享
帖子
日志
记录
相册
留言板
勋章
任务
道具
设置
退出
液压圈
»
论坛
›
液压元件
›
液压泵马达
›
多个泵的支撑
负载敏感资料下载
|
液压培训资料下载
|
液压样本下载
|
AMESim资料下载
|
力士乐资料下载
|
挖掘机资料下载
|
标准资料下载
|
多路阀资料下载
返回列表
查看:
3372
|
回复:
2
多个泵的支撑
[复制链接]
whx-002
whx-002
当前离线
积分
610
注册时间
2010-10-14
最后登录
1970-1-1
IP卡
狗仔卡
打卡等级:初来乍到
打卡总天数:30
打卡总奖励:196
发表于 2014-6-11 21:50:20
|
显示全部楼层
|
阅读模式
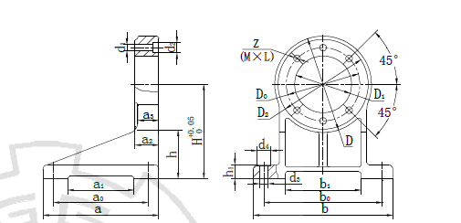
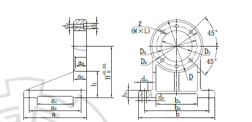
一个电机带多个
泵
的情况有遇到么?除了前面钟型罩~后面有加支撑的么?一般是什么形式的?需要注意些什么?
回复
使用道具
举报
提升卡
置顶卡
变色卡
seetheworld
seetheworld
当前离线
积分
161
注册时间
2011-6-16
最后登录
1970-1-1
IP卡
狗仔卡
打卡等级:无名新人
打卡总天数:1
打卡总奖励:3
发表于 2014-6-12 00:36:01
|
显示全部楼层
多泵是串联的吗?钟罩是什么材质?怎么加工的?加支撑?工艺要求得多高?
回复
使用道具
举报
sunlike
sunlike
当前离线
积分
131
注册时间
2014-3-10
最后登录
1970-1-1
IP卡
狗仔卡
打卡等级:无名新人
打卡总天数:3
打卡总奖励:19
发表于 2014-6-12 07:30:40
|
显示全部楼层
双轴伸电机,前后各带一个泵,前面钟形罩,后面泵安装支架
回复
使用道具
举报
返回列表
高级模式
B
Color
Image
Link
Quote
Code
Smilies
您需要登录后才可以回帖
登录
|
立即注册
本版积分规则
发表回复
回帖后跳转到最后一页
浏览过的版块
供求信息
AMESim
企业名录
快速回复
返回顶部
返回列表