设为首页
收藏本站
所有帖子
关于我们
联系我们
微信群
开启辅助访问
搜索
搜索
本版
用户
门户
Portal
资讯
液压资讯
观点
观点
产品
液压产品
技术
液压技术
合集
导读
Guide
下载
签到
金币
论坛
BBS
登录
立即注册
腾讯QQ
账号
自动登录
找回密码
密码
登录
立即注册
只需一步,快速开始
好友
动态
收藏
分享
帖子
日志
记录
相册
留言板
勋章
任务
道具
设置
退出
液压圈
»
论坛
›
液压系统
›
故障诊断
›
关于液压系统故障问题
负载敏感资料下载
|
液压培训资料下载
|
液压样本下载
|
AMESim资料下载
|
力士乐资料下载
|
挖掘机资料下载
|
标准资料下载
|
多路阀资料下载
返回列表
查看:
4013
|
回复:
5
关于液压系统故障问题
[复制链接]
li2003cs2006
li2003cs2006
当前离线
积分
9
注册时间
2014-6-14
最后登录
1970-1-1
IP卡
狗仔卡
发表于 2014-6-14 00:59:39
|
显示全部楼层
|
阅读模式
机床隔断时间就会报警,报警信息为: H+L未准备好,设备为哈雷
液压系统
,请假大家是哪里的问题啊?谢谢!!!
回复
使用道具
举报
提升卡
置顶卡
变色卡
sixue98
sixue98
当前离线
积分
502
注册时间
2013-12-20
最后登录
1970-1-1
IP卡
狗仔卡
发表于 2014-6-15 16:16:04
|
显示全部楼层
传一下原理,分析一下
回复
使用道具
举报
liugde
liugde
当前离线
积分
222
注册时间
2014-3-22
最后登录
1970-1-1
IP卡
狗仔卡
发表于 2014-6-16 08:46:57
|
显示全部楼层
污染,需要清洗液压站滤网;或者压力不足
回复
使用道具
举报
liugde
liugde
当前离线
积分
222
注册时间
2014-3-22
最后登录
1970-1-1
IP卡
狗仔卡
发表于 2014-6-16 08:47:24
|
显示全部楼层
你把机床说明书发来,包含原理图
回复
使用道具
举报
li2003cs2006
li2003cs2006
当前离线
积分
9
注册时间
2014-6-14
最后登录
1970-1-1
IP卡
狗仔卡
楼主
|
发表于 2014-6-16 18:17:22
|
显示全部楼层
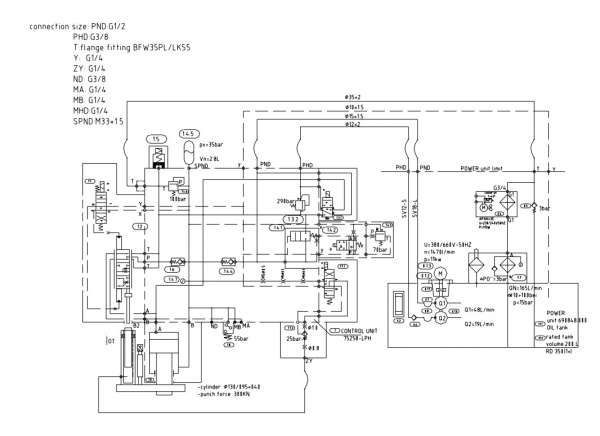
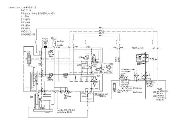
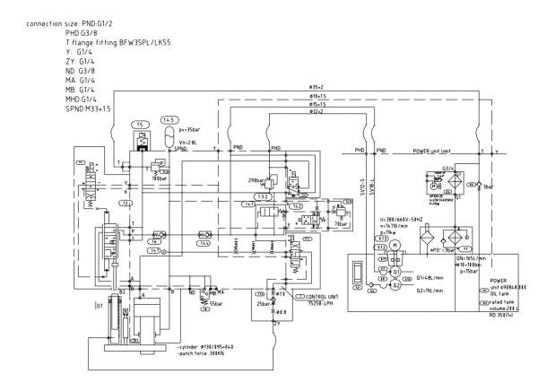
附件为液压图11111
回复
使用道具
举报
li2003cs2006
li2003cs2006
当前离线
积分
9
注册时间
2014-6-14
最后登录
1970-1-1
IP卡
狗仔卡
楼主
|
发表于 2014-6-19 14:52:04
|
显示全部楼层
目前确认是油温过高导致的报警,目前采取的措施是用一台排风扇对液压油箱进行冷却。
回复
使用道具
举报
返回列表
高级模式
B
Color
Image
Link
Quote
Code
Smilies
您需要登录后才可以回帖
登录
|
立即注册
本版积分规则
发表回复
回帖后跳转到最后一页
浏览过的版块
供求信息
液压泵马达
伺服控制
液压技术
快速回复
返回顶部
返回列表