设为首页
收藏本站
所有帖子
关于我们
联系我们
微信群
开启辅助访问
搜索
搜索
本版
用户
门户
Portal
资讯
液压资讯
观点
观点
产品
液压产品
技术
液压技术
合集
导读
Guide
下载
签到
金币
论坛
BBS
登录
立即注册
腾讯QQ
账号
自动登录
找回密码
密码
登录
立即注册
只需一步,快速开始
好友
动态
收藏
分享
帖子
日志
记录
相册
留言板
勋章
任务
道具
设置
退出
液压圈
»
论坛
›
液压系统
›
液压技术
›
液压大神帮忙看看
负载敏感资料下载
|
液压培训资料下载
|
液压样本下载
|
AMESim资料下载
|
力士乐资料下载
|
挖掘机资料下载
|
标准资料下载
|
多路阀资料下载
返回列表
查看:
4005
|
回复:
6
液压大神帮忙看看
[复制链接]
夜夜夜夜
夜夜夜夜
当前离线
积分
5
注册时间
2014-6-17
最后登录
1970-1-1
IP卡
狗仔卡
发表于 2014-6-17 22:03:28
|
显示全部楼层
|
阅读模式
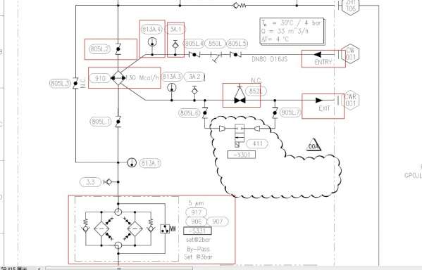
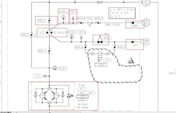
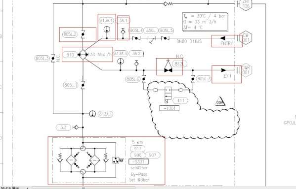
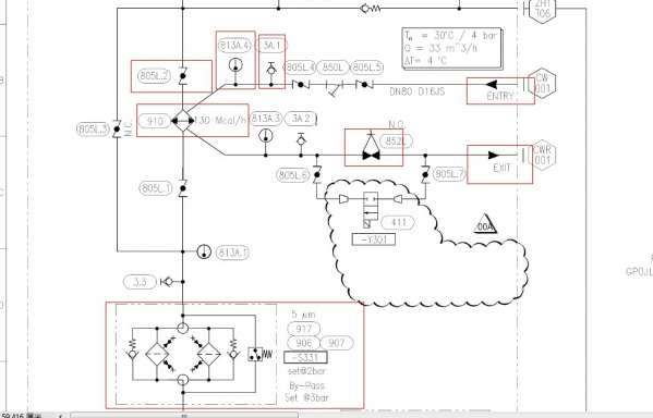
红框中的是什么意思?还有那些数字
回复
使用道具
举报
提升卡
置顶卡
变色卡
泛舟
泛舟
当前离线
积分
1788
注册时间
2009-10-15
最后登录
1970-1-1
IP卡
狗仔卡
打卡等级:无名新人
打卡总天数:15
打卡总奖励:15
发表于 2014-6-17 23:47:24
|
显示全部楼层
云图圈是什么意思?
回复
使用道具
举报
loulei
loulei
当前离线
积分
450
注册时间
2011-4-10
最后登录
1970-1-1
IP卡
狗仔卡
打卡等级:无名新人
打卡总天数:4
打卡总奖励:23
发表于 2014-6-18 08:46:40
|
显示全部楼层
数字是图纸上的标号
回复
使用道具
举报
吸铁石
吸铁石
当前离线
积分
503
注册时间
2012-12-6
最后登录
1970-1-1
IP卡
狗仔卡
发表于 2014-6-18 08:57:51
|
显示全部楼层
油冷却器的简易测试台吧
回复
使用道具
举报
木木727
木木727
当前离线
积分
120
注册时间
2013-11-10
最后登录
1970-1-1
IP卡
狗仔卡
发表于 2014-6-18 19:45:45
|
显示全部楼层
带压差报警的过滤器,温度计,测压点,热交换器,数字有可能是在材料表里的位号,805这样的不常见,是不是球阀?CW为循环水回路
回复
使用道具
举报
smartbyh
smartbyh
当前离线
积分
67
注册时间
2010-7-29
最后登录
1970-1-1
IP卡
狗仔卡
打卡等级:初来乍到
打卡总天数:35
打卡总奖励:123
发表于 2014-6-19 07:36:54
|
显示全部楼层
这是一个系统冷却器的循环水回路,上面有温度,测压点,过滤器等必要的检测机过滤元件,805L是过滤器、813是温度检测元件,411是电磁水阀
回复
使用道具
举报
泛舟
泛舟
当前离线
积分
1788
注册时间
2009-10-15
最后登录
1970-1-1
IP卡
狗仔卡
打卡等级:无名新人
打卡总天数:15
打卡总奖励:15
发表于 2014-6-19 09:09:58
|
显示全部楼层
云图圈起来的意思是不是该部分可以删除,或剔除该部分。即先设计的时候有该部分,后剔除不要的意思。
回复
使用道具
举报
返回列表
高级模式
B
Color
Image
Link
Quote
Code
Smilies
您需要登录后才可以回帖
登录
|
立即注册
本版积分规则
发表回复
回帖后跳转到最后一页
快速回复
返回顶部
返回列表