搜索
汉力达液压金币充值官方微信群液压资料下载
查看: 11750|回复: 28

为何要用两个比例阀

  [复制链接]
发表于 2014-7-11 20:36:35 | 显示全部楼层 |阅读模式
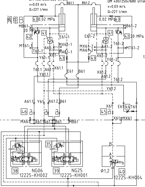
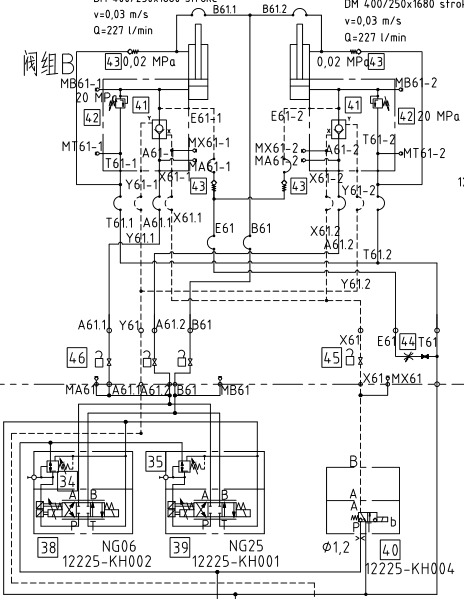
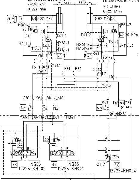
38和39均是比例阀,此处为何用两个比例阀,用一个不行吗?请指教

补充内容 (2014-7-12 20:35):
38阀4WRAE6E26-2X/G24K31+R900021267
39阀4WRE25E350L-3X/6EG24ET31/F1D3M

为何要用两个比例阀

为何要用两个比例阀

评分

参与人数 1金钱 +10 收起 理由
泛舟 + 10 很实用,值得借鉴,在大压机上见识过,不过.

查看全部评分

  • 打卡等级:无名新人
  • 打卡总天数:1
  • 打卡总奖励:1
发表于 2014-7-11 21:31:27 | 显示全部楼层
但从原理图看不出什么,能不能告诉两个液压缸的工作情况
回复

使用道具 举报

 楼主| 发表于 2014-7-11 21:37:02 | 显示全部楼层
抬头♀、微笑 发表于 2014-7-11 21:31
但从原理图看不出什么,能不能告诉两个液压缸的工作情况

就是要求同步升降

点评

感觉并不算是双缸同步系统,如果液压缸负载偏差较大,很难保证两缸的同步精度  发表于 2014-7-13 16:46
回复

使用道具 举报

  • 打卡等级:论坛老炮
  • 打卡总天数:1169
  • 打卡总奖励:1819
发表于 2014-7-11 21:46:02 来自手机 | 显示全部楼层
两比例阀通径大小不一,得失电情况不一吧。
回复

使用道具 举报

  • 打卡等级:无名新人
  • 打卡总天数:1
  • 打卡总奖励:1
发表于 2014-7-11 22:30:15 | 显示全部楼层
同步升降,我第一次看见这么用的,能详细讲讲比例阀怎么得电顺序,大家一起学学
回复

使用道具 举报

  • 打卡等级:以坛为家
  • 打卡总天数:772
  • 打卡总奖励:2750
发表于 2014-7-11 22:46:06 | 显示全部楼层
调节速度?
回复

使用道具 举报

  • 打卡等级:无名新人
  • 打卡总天数:4
  • 打卡总奖励:8
发表于 2014-7-11 23:29:16 | 显示全部楼层
粗调和微调结合,Goodwin的control system design有介绍的

评分

参与人数 1金钱 +6 收起 理由
泛舟 + 6 很给力!

查看全部评分

回复

使用道具 举报

  • 打卡等级:即来则安
  • 打卡总天数:287
  • 打卡总奖励:1945
发表于 2014-7-12 07:22:25 | 显示全部楼层
应该是调速用的吧,一个满足不了最大速度?

来自:Android客户端
回复

使用道具 举报

发表于 2014-7-12 09:47:05 | 显示全部楼层
  请先说说你自己的具体理由,好比说你通过选型手册的指标、设计思路把各种计算之后列出来的结果,也就是解出来只要用一个比例阀也够了。
回复

使用道具 举报

  • 打卡等级:无名新人
  • 打卡总天数:14
  • 打卡总奖励:14
发表于 2014-7-12 10:31:35 | 显示全部楼层
楼主可否提供大小伺服比例阀的型号代码?以便借鉴,谢谢!
回复

使用道具 举报

您需要登录后才可以回帖 登录 | 立即注册

本版积分规则