设为首页
收藏本站
所有帖子
关于我们
联系我们
微信群
开启辅助访问
搜索
搜索
本版
用户
门户
Portal
资讯
液压资讯
观点
观点
产品
液压产品
技术
液压技术
合集
导读
Guide
下载
签到
金币
论坛
BBS
登录
立即注册
腾讯QQ
账号
自动登录
找回密码
密码
登录
立即注册
只需一步,快速开始
好友
动态
收藏
分享
帖子
日志
记录
相册
留言板
勋章
任务
道具
设置
退出
液压圈
»
论坛
›
液压系统
›
液压技术
›
请问这个阀的外接导压控制8A2成形孔是什么 ...
负载敏感资料下载
|
液压培训资料下载
|
液压样本下载
|
AMESim资料下载
|
力士乐资料下载
|
挖掘机资料下载
|
标准资料下载
|
多路阀资料下载
返回列表
查看:
3154
|
回复:
3
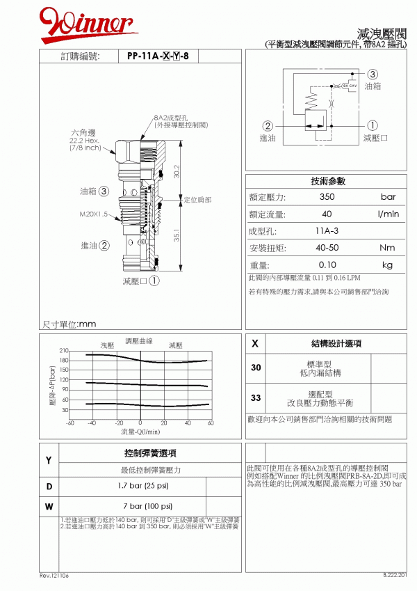
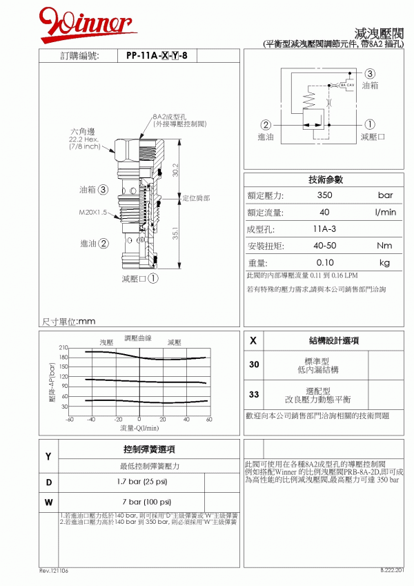
请问这个阀的外接导压控制8A2成形孔是什么
[复制链接]
huanghaihua
huanghaihua
当前离线
积分
313
注册时间
2013-11-15
最后登录
1970-1-1
IP卡
狗仔卡
打卡等级:初来乍到
打卡总天数:58
打卡总奖励:229
发表于 2014-7-17 22:30:06
|
显示全部楼层
|
阅读模式
在电子
样本
上看到的,8A2成形孔是否接一个什么螺纹阀的去来控制压力
请问这个阀的外接导压控制8A2成形孔是什么
请问这个阀的外接导压控制8A2成形孔是什么
回复
使用道具
举报
提升卡
置顶卡
变色卡
小小天使
小小天使
当前离线
积分
109
注册时间
2011-12-28
最后登录
1970-1-1
IP卡
狗仔卡
发表于 2014-7-17 23:13:33
|
显示全部楼层
那个孔还要装一个阀,比如溢流阀 通过调节溢流阀的压力就可以控制减压阀的压力
回复
使用道具
举报
sdr
sdr
当前离线
积分
506
注册时间
2012-5-9
最后登录
1970-1-1
IP卡
狗仔卡
打卡等级:以坛为家
打卡总天数:772
打卡总奖励:2750
发表于 2014-7-18 09:45:22
|
显示全部楼层
样本上应该有。
回复
使用道具
举报
卖女孩的火柴
卖女孩的火柴
当前离线
积分
1085
注册时间
2011-10-9
最后登录
1970-1-1
IP卡
狗仔卡
打卡等级:伴坛终老
打卡总天数:2555
打卡总奖励:6387
发表于 2014-7-18 16:10:01
|
显示全部楼层
同意二楼说的
回复
使用道具
举报
返回列表
高级模式
B
Color
Image
Link
Quote
Code
Smilies
您需要登录后才可以回帖
登录
|
立即注册
本版积分规则
发表回复
回帖后跳转到最后一页
浏览过的版块
公告区
快速回复
返回顶部
返回列表