搜索
金币充值液压资料下载官方微信群
查看: 7113|回复: 9

a6vm马达的变量原理谁知道?

[复制链接]
  • 打卡等级:伴坛终老
  • 打卡总天数:3542
  • 打卡总奖励:9749
发表于 2014-7-18 20:22:04 | 显示全部楼层 |阅读模式
如题,谁知道力士乐a6vm的变量原理,x口起什么作用?它是自动变量啊

a6vm马达的变量原理谁知道?

a6vm马达的变量原理谁知道?
  • 打卡等级:无名新人
  • 打卡总天数:4
  • 打卡总奖励:16
发表于 2014-7-18 22:03:44 | 显示全部楼层
X口堵上的 啊,不起作用。这是高压自动控制
回复

使用道具 举报

发表于 2014-7-19 00:27:25 | 显示全部楼层
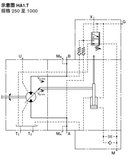
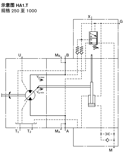
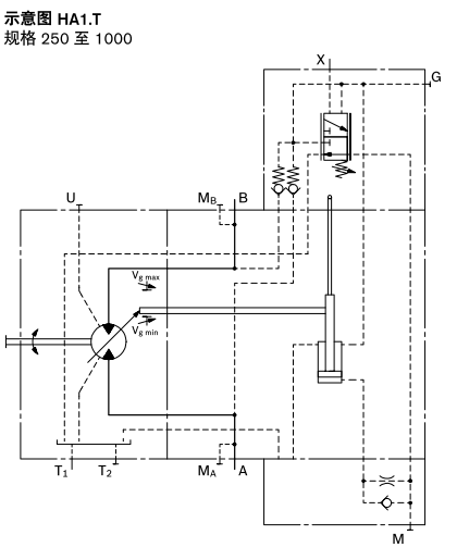
X是液压越权控制油口,HA1和HA2堵上;HA1T和HA2T带液压越权控制,此时X口打开,接先导压力油。你这个是HA1控制,所以X口堵上就可以。
回复

使用道具 举报

  • 打卡等级:伴坛终老
  • 打卡总天数:3542
  • 打卡总奖励:9749
 楼主| 发表于 2014-7-19 11:32:12 | 显示全部楼层
longlong0633 发表于 2014-7-19 00:27
X是液压越权控制油口,HA1和HA2堵上;HA1T和HA2T带液压越权控制,此时X口打开,接先导压力油。你这个是HA1 ...

如果接先导油,那么直接到泄油口T有什么意义呢?
回复

使用道具 举报

  • 打卡等级:伴坛终老
  • 打卡总天数:2813
  • 打卡总奖励:7855
发表于 2014-7-19 13:50:33 | 显示全部楼层
我也是曾经想找个比较详细一点的A6V马达的样本,根本就没有详细介绍的
回复

使用道具 举报

  • 打卡等级:无名新人
  • 打卡总天数:4
  • 打卡总奖励:8
发表于 2014-7-19 14:13:48 | 显示全部楼层
spinning1976 发表于 2014-7-19 11:32
如果接先导油,那么直接到泄油口T有什么意义呢?

9141042.jpg 也有没接到泻油口的控制口用法,看阀块的

回复

使用道具 举报

发表于 2014-7-19 14:20:18 | 显示全部楼层
spinning1976 发表于 2014-7-19 11:32
如果接先导油,那么直接到泄油口T有什么意义呢?

接先导油的时候,此部分就不接到泄油口了。
HA1.T.jpg
回复

使用道具 举报

  • 打卡等级:无名新人
  • 打卡总天数:3
  • 打卡总奖励:15
发表于 2014-7-22 14:11:00 | 显示全部楼层
如下图

回复

使用道具 举报

发表于 2014-7-24 21:14:15 | 显示全部楼层
HA1或HA2系列,只要X口加先导油,马达排量就变成最大或最小。
回复

使用道具 举报

发表于 2014-7-28 20:30:43 | 显示全部楼层
装甲车 发表于 2014-7-24 21:14
HA1或HA2系列,只要X口加先导油,马达排量就变成最大或最小。

一般是在最大位置
回复

使用道具 举报

您需要登录后才可以回帖 登录 | 立即注册

本版积分规则