搜索
汉力达液压金币充值官方微信群液压资料下载
查看: 3607|回复: 4

如何建立这个模型

[复制链接]
发表于 2014-7-29 12:54:16 来自手机 | 显示全部楼层 |阅读模式
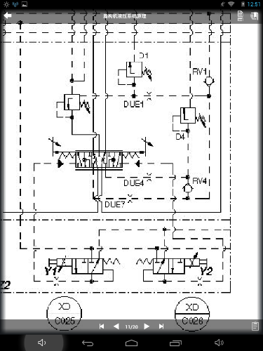
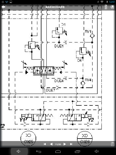
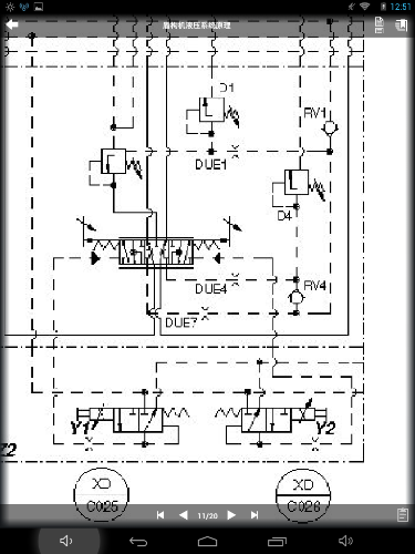
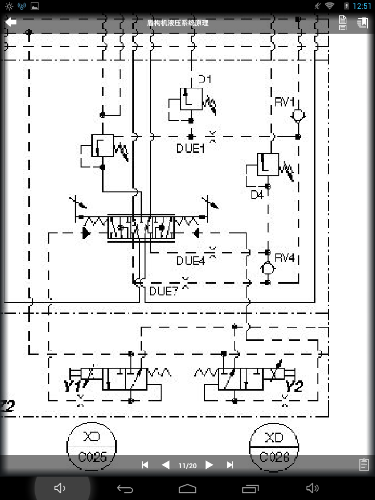
大神们,这个模型如何建立
Screenshot_2014-07-29-12-55-30.png
  • 打卡等级:常驻居民
  • 打卡总天数:365
  • 打卡总奖励:2062
发表于 2014-7-29 13:29:33 | 显示全部楼层
这个要对照样本或者实物来做,最好先到知网上找找与这个差不多的文章看看
回复

使用道具 举报

 楼主| 发表于 2014-7-29 13:36:02 来自手机 | 显示全部楼层
这个资料太少了,我找过,基本没有
回复

使用道具 举报

发表于 2014-7-29 15:28:21 | 显示全部楼层
楼主的意思是用三维软件建动力站的模型吗??这个要找到相应阀件的样本和接头模型。。
回复

使用道具 举报

 楼主| 发表于 2014-7-30 00:15:42 来自手机 | 显示全部楼层
XIAO111BAI 发表于 2014-7-29 15:28
楼主的意思是用三维软件建动力站的模型吗??这个要找到相应阀件的样本和接头模型。。

你好,是仿真模型,用amesim
回复

使用道具 举报

您需要登录后才可以回帖 登录 | 立即注册

本版积分规则