设为首页
收藏本站
所有帖子
关于我们
联系我们
微信群
开启辅助访问
搜索
搜索
本版
用户
门户
Portal
资讯
液压资讯
观点
观点
产品
液压产品
技术
液压技术
合集
导读
Guide
下载
签到
金币
论坛
BBS
登录
立即注册
腾讯QQ
账号
自动登录
找回密码
密码
登录
立即注册
只需一步,快速开始
好友
动态
收藏
分享
帖子
日志
记录
相册
留言板
勋章
任务
道具
设置
退出
液压圈
»
论坛
›
液压元件
›
液压电磁阀
›
请教一下这个阀的原理
负载敏感资料下载
|
液压培训资料下载
|
液压样本下载
|
AMESim资料下载
|
力士乐资料下载
|
挖掘机资料下载
|
标准资料下载
|
多路阀资料下载
返回列表
查看:
4653
|
回复:
4
请教一下这个阀的原理
[复制链接]
孤宸皓
孤宸皓
当前离线
积分
40
注册时间
2014-5-27
最后登录
1970-1-1
IP卡
狗仔卡
发表于 2014-7-30 23:50:58
来自手机
|
显示全部楼层
|
阅读模式
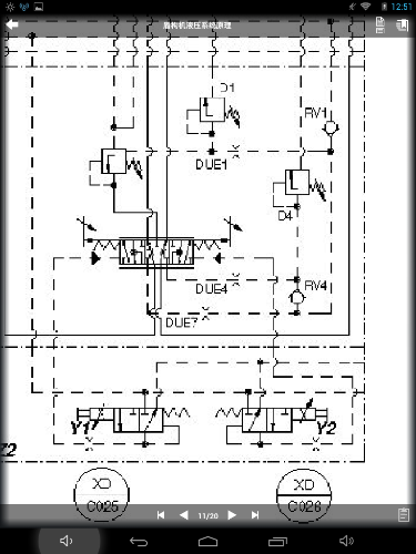
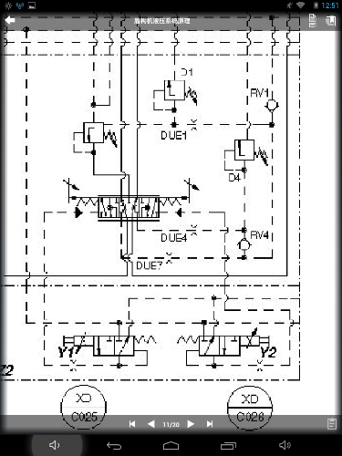
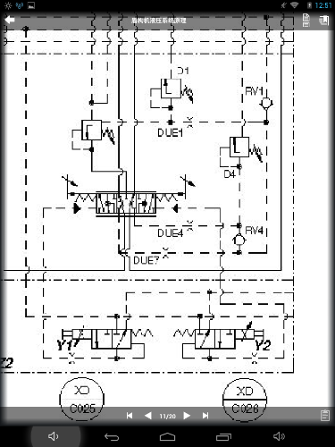
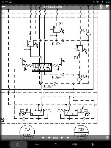
这是布赫的
平衡阀
,麻烦哪个大神把油路分析一下,尤其是B口的油是怎么反馈的
请教一下这个阀的原理
请教一下这个阀的原理
回复
使用道具
举报
提升卡
置顶卡
变色卡
sixue98
sixue98
当前离线
积分
502
注册时间
2013-12-20
最后登录
1970-1-1
IP卡
狗仔卡
发表于 2014-7-31 09:12:25
|
显示全部楼层
设计的很巧妙,原理图看不清楚。
回复
使用道具
举报
fengmang
fengmang
当前离线
积分
51
注册时间
2013-1-23
最后登录
1970-1-1
IP卡
狗仔卡
打卡等级:无名新人
打卡总天数:1
打卡总奖励:9
发表于 2014-7-31 10:47:42
|
显示全部楼层
这个动画最后在重物上加力小阀芯打开就是为了说明调定的压力?
回复
使用道具
举报
xzzxsun
xzzxsun
当前离线
积分
241
注册时间
2010-4-30
最后登录
1970-1-1
IP卡
狗仔卡
打卡等级:论坛老炮
打卡总天数:1110
打卡总奖励:4404
发表于 2014-7-31 19:08:48
|
显示全部楼层
这个是平衡阀吧。
回复
使用道具
举报
xiao70ni8
xiao70ni8
当前离线
积分
190
注册时间
2012-8-23
最后登录
1970-1-1
IP卡
狗仔卡
打卡等级:偶尔看看
打卡总天数:61
打卡总奖励:386
发表于 2014-8-2 22:00:14
|
显示全部楼层
第一幅是布赫的多路阀(LSC还是LV的 忘了 ) 阀后补偿,原理你可以去多路阀论坛看看
第二个是平衡阀, 布赫平衡阀还是比较高端的 ,记得有很多种配比阻尼 结构方面真是爱莫能助
回复
使用道具
举报
返回列表
高级模式
B
Color
Image
Link
Quote
Code
Smilies
您需要登录后才可以回帖
登录
|
立即注册
本版积分规则
发表回复
回帖后跳转到最后一页
快速回复
返回顶部
返回列表