搜索
汉力达液压金币充值官方微信群液压资料下载
查看: 8886|回复: 13

danfoss的发动机超速保护阀应用效果如何

[复制链接]
发表于 2014-8-2 20:52:46 | 显示全部楼层 |阅读模式
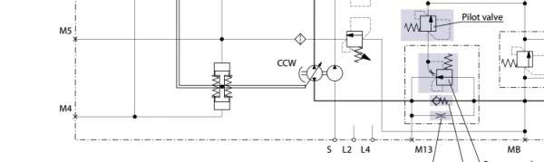
danfoss的H1系列产品相对90系列还是有很大的改进,今天看到起H1上有个发动机超速保护组件:作用是在静液压反拖制动过程中,减小泵输入到发动机的扭矩,防止发动机超速,原理图如下:

danfoss的发动机超速保护阀应用效果如何

danfoss的发动机超速保护阀应用效果如何


通过减压阀消耗压力,从而降低马达输入到泵的压力,将部分刹车能量转化为油温。这样的话势必加大系统的发热,不过考虑到系统偶尔进行静压制动,所以问题不大。
同时当马达出口压力较高时,还可以通过压力限制阀溢流并推动泵斜盘增大,加大泵排量,从而使泵吸收更多的制动流量,很好的实现制动。

danfoss的发动机超速保护阀应用效果如何

danfoss的发动机超速保护阀应用效果如何


有用过这个的吗,分享下经验
  • 打卡等级:以坛为家
  • 打卡总天数:835
  • 打卡总奖励:2513
发表于 2014-8-2 22:03:26 | 显示全部楼层
同求,第一次学习,谢谢
回复

使用道具 举报

发表于 2014-8-3 07:55:57 | 显示全部楼层
新知识学习啦
回复

使用道具 举报

  • 打卡等级:初来乍到
  • 打卡总天数:35
  • 打卡总奖励:123
发表于 2014-8-3 20:56:53 | 显示全部楼层
还是第一次听说,没有用 过,学习 了
回复

使用道具 举报

发表于 2014-8-3 21:37:24 | 显示全部楼层
这个周三参加的第五届国际动力传动与控制交流会,danfoss在讲节能技术在工程机械上的应用时,提到过这个功能,很不错。
回复

使用道具 举报

发表于 2014-8-4 18:03:05 | 显示全部楼层
楼主你好,请问你这个减压阀的压力设定多大?
回复

使用道具 举报

 楼主| 发表于 2014-8-5 17:22:28 | 显示全部楼层
longlong0633 发表于 2014-8-4 18:03
楼主你好,请问你这个减压阀的压力设定多大?

看你发动机能吸收多大的制动扭矩
回复

使用道具 举报

 楼主| 发表于 2014-8-5 17:22:43 | 显示全部楼层
longlong0633 发表于 2014-8-3 21:37
这个周三参加的第五届国际动力传动与控制交流会,danfoss在讲节能技术在工程机械上的应用时,提到过这个功 ...

在哪里参加的?
回复

使用道具 举报

发表于 2014-8-7 21:18:43 | 显示全部楼层

威海文登汤泊度假村
回复

使用道具 举报

发表于 2014-8-7 21:24:35 | 显示全部楼层
我的分析:正常行走不制动的时候,马达回油是通过减压阀流回泵的吸油口的吧,而不是通过阻尼孔,此时减压阀不起作用。当制动的时候,马达变泵,当压力高于减压阀设定压力时,减压阀起作用,防止发动机超速。你觉得呢?
回复

使用道具 举报

您需要登录后才可以回帖 登录 | 立即注册

本版积分规则