搜索
汉力达液压金币充值官方微信群液压资料下载
查看: 4070|回复: 0

有没有人仿真过K3V变量柱塞泵

[复制链接]
  • 打卡等级:无名新人
  • 打卡总天数:1
  • 打卡总奖励:4
发表于 2014-8-17 09:02:19 | 显示全部楼层 |阅读模式
本帖最后由 kauuka 于 2014-8-17 09:06 编辑

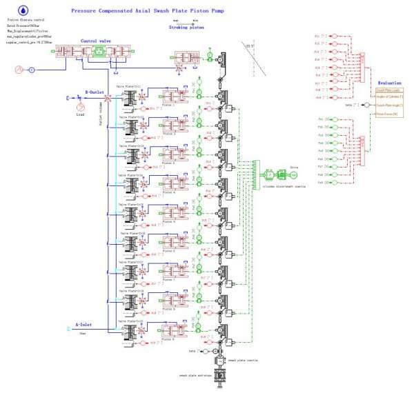
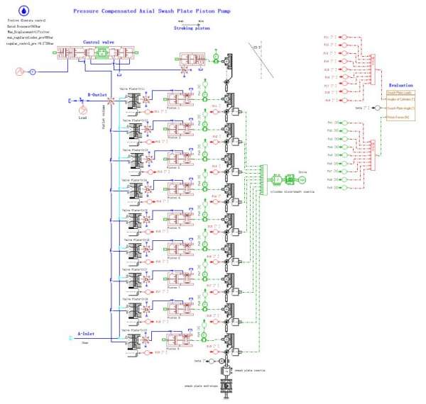
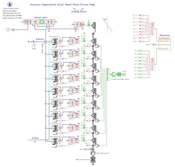
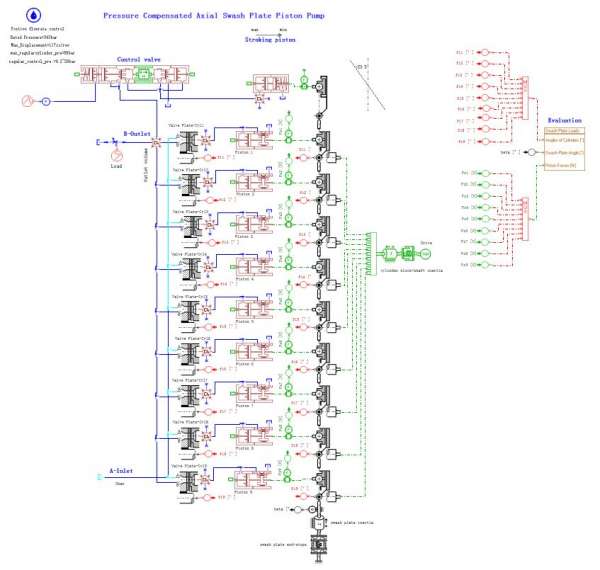
最近在参照Demo里的例子做K3V的仿真,在变量机构处遇到一些问题,如何处理变量机构处那些连杆,销轴啊什么的。
一开始想着用个连杆代替或者联合仿真,但问题是输入输出参数对不上,找不到合适的模型。
如下第二张图所示:控制阀和变量缸的一端均是BAP12,输出位移和速度,输入力;但连杆LML011也是输出位移和速度,输入力,所以无法连接。假如是联合仿真的话,教程是说是AMESim输出力,接收位移和速度,这样的话也没法连接吧。

另外关于恒功率控制也没有具体想好怎么控制。
目前只做出了正流量和负流量,但没有反馈连杆,如下第一张图,
特此求助各位,有没有什么思路,建议什么的。
非常感谢!

有没有人仿真过K3V变量柱塞泵

有没有人仿真过K3V变量柱塞泵

有没有人仿真过K3V变量柱塞泵

有没有人仿真过K3V变量柱塞泵
您需要登录后才可以回帖 登录 | 立即注册

本版积分规则