搜索
汉力达液压金币充值官方微信群液压资料下载
查看: 6583|回复: 9

一个定差减压阀盖如何正确搭建

[复制链接]
发表于 2014-8-20 17:14:07 | 显示全部楼层 |阅读模式
小弟,参考了一些文献资料以及help文档里的一些减压阀的参数,仿照搭建和参数设置,但是阀的压力平衡并没能体现,定差减压阀的效果没出来...小弟不知是模型搭建有瑕疵还是参数设置理解有误,缺乏经验,真心需要朋友们的指导

定差减压阀1

定差减压阀1

定差减压阀2

定差减压阀2
  • 打卡等级:常驻居民
  • 打卡总天数:365
  • 打卡总奖励:2062
发表于 2014-8-21 10:23:29 | 显示全部楼层
主要参数设置的协调,我在论坛里解释过仿真的意义,重要的是结构参数,其次是控制参数的调整!
回复

使用道具 举报

 楼主| 发表于 2014-8-22 10:25:30 | 显示全部楼层
感谢前辈的指导
小弟真是头发都白了,没招了
要是模型没问题,那这参数该怎么才能调好呢(快失去信心了)
回复

使用道具 举报

发表于 2017-3-26 16:23:00 | 显示全部楼层
请问你做出来了吗
回复

使用道具 举报

 楼主| 发表于 2017-3-29 20:47:48 | 显示全部楼层
guozjwin 发表于 2017-3-26 16:23
请问你做出来了吗

http://www.docin.com/p-114354913.html
回复

使用道具 举报

发表于 2017-3-30 13:14:58 | 显示全部楼层
最好先了解阀的实际结构,然后参照结构来建模。而不是为了建模而建模
回复

使用道具 举报

发表于 2017-3-31 20:20:15 | 显示全部楼层
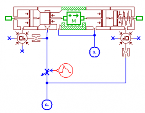
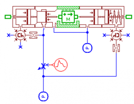
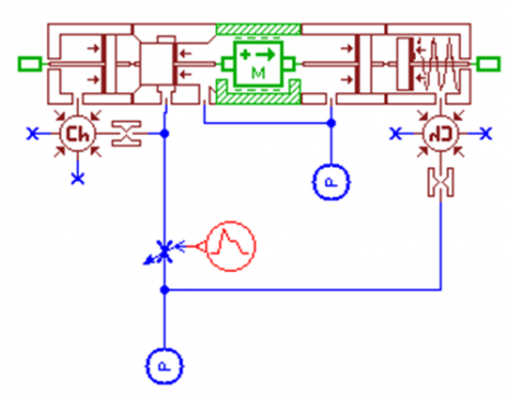
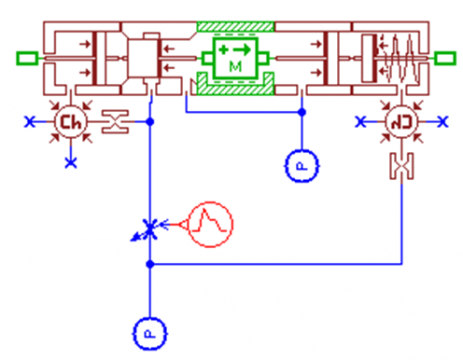
你做的模型不对,所谓定差减压阀,实际上可以认为是一个压力补偿阀,其作用是抱着流经阻尼孔两端的压降是一致的,因此在定差减压阀左右两侧也一定是跟阻尼孔前后相通。
回复

使用道具 举报

发表于 2017-3-31 20:21:35 | 显示全部楼层
你可以参照这个模型来做,另外看一下压力补偿阀的资料

回复

使用道具 举报

 楼主| 发表于 2017-4-11 10:52:58 | 显示全部楼层
yiliya 发表于 2017-3-31 20:21
你可以参照这个模型来做,另外看一下压力补偿阀的资料

好的好的,谢谢前辈不吝赐教
请问你能给我发一份这个模型的.ame文件和压力补偿阀的资料吗,我好细细学习下,122682501@qq.com
回复

使用道具 举报

  • 打卡等级:无名新人
  • 打卡总天数:1
  • 打卡总奖励:5
发表于 2017-5-15 11:48:44 | 显示全部楼层
你现在的情况就是两个原因造成的,1,不懂阀的原理,更不会设计这种阀。2,对模块的设置掌握不了。我对两位两通电磁阀非常熟悉,独自设计这种阀也没有问题,所以用一周学习了amesim,很快就能对电磁阀进行仿真分析。减压阀这个玩意,我只知道原理,没有搞过设计,别人还给了我一个减压阀仿真教程,我照着做,快一个月了还 是搞不定,参数设置有问题,一直无法运行,头都白了。
回复

使用道具 举报

您需要登录后才可以回帖 登录 | 立即注册

本版积分规则