搜索
汉力达液压金币充值官方微信群液压资料下载
查看: 14065|回复: 22

液压机用插装阀应用原理

    [复制链接]
发表于 2014-9-19 22:06:43 | 显示全部楼层 |阅读模式

液压机用插装阀应用原理

液压机用插装阀应用原理

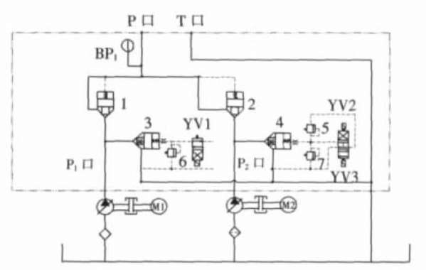
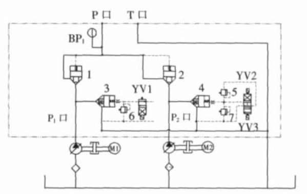
液压机用插装阀见上图
插装阀4在YV2、YV3均失电时电磁阀处中位实现液压卸荷这个明白,但当YV2得电电磁阀工作在上位时插装阀4是如何关闭的一直没弄明白,还有YV3得电时如何,请高人指点。

液压机用插装阀应用原理

液压机用插装阀应用原理
  • 打卡等级:无名新人
  • 打卡总天数:3
  • 打卡总奖励:19
发表于 2014-9-20 07:18:33 | 显示全部楼层
这是一个高低压系统,Y2得电,溢流阀5、7回油通道都通油箱,当系统压力上升时,压力设定低的溢流阀工作(5)。Y3得电时,只有溢流阀7的回油可以回油箱,在高的压力下才可以打开4的阀芯,系统调定到设置压力
回复

使用道具 举报

  • 打卡等级:论坛老炮
  • 打卡总天数:1170
  • 打卡总奖励:1820
发表于 2014-9-20 07:59:53 来自手机 | 显示全部楼层
本帖最后由 qqqqqqwwww 于 2014-9-20 08:27 编辑

YV2得电显示Y7压力,YV3得电显示Y5压力,高低压组合回路。YV2得电时,溢流阀5的T口连接压力口,弹簧腔施加背压无法打开,故只有7起作用。
回复

使用道具 举报

  • 打卡等级:伴坛终老
  • 打卡总天数:2537
  • 打卡总奖励:6369
发表于 2014-9-20 08:58:39 | 显示全部楼层
楼上俩位都没说出本质  高低压的目的是什么 你们知道吗
回复

使用道具 举报

  • 打卡等级:论坛老炮
  • 打卡总天数:1170
  • 打卡总奖励:1820
发表于 2014-9-20 09:07:25 来自手机 | 显示全部楼层
卖女孩的火柴 发表于 2014-9-20 08:58
楼上俩位都没说出本质  高低压的目的是什么 你们知道吗

不知道,请你解释一下,多谢
回复

使用道具 举报

  • 打卡等级:论坛老炮
  • 打卡总天数:1170
  • 打卡总奖励:1820
发表于 2014-9-20 09:28:30 来自手机 | 显示全部楼层
卖女孩的火柴 发表于 2014-9-20 08:58
楼上俩位都没说出本质  高低压的目的是什么 你们知道吗

请问插装式溢流阀的插装阀图中画法是否正确?应该是面积比1:1的座阀才对,B口没有有效面积才对,上图中明显是方向功能的画法
回复

使用道具 举报

  • 打卡等级:论坛老炮
  • 打卡总天数:1170
  • 打卡总奖励:1820
发表于 2014-9-20 09:59:24 来自手机 | 显示全部楼层
sdhzczj 发表于 2014-9-19 22:06
液压机用插装阀见上图
插装阀4在YV2、YV3均失电时电磁阀处中位实现液压泵卸荷这个明白,但当YV2得电电磁 ...

图画得不对,所以理解困难
回复

使用道具 举报

 楼主| 发表于 2014-9-20 10:54:00 | 显示全部楼层
qqqqqqwwww 发表于 2014-9-20 07:59
YV2得电显示Y7压力,YV3得电显示Y5压力,高低压组合回路。YV2得电时,溢流阀5的T口连接压力口,弹簧腔施加背 ...

但是背压是如何产生的
回复

使用道具 举报

  • 打卡等级:论坛老炮
  • 打卡总天数:1170
  • 打卡总奖励:1820
发表于 2014-9-20 11:21:59 来自手机 | 显示全部楼层
本帖最后由 qqqqqqwwww 于 2014-9-20 11:45 编辑
sdhzczj 发表于 2014-9-20 10:54
但是背压是如何产生的


通过内泄口通调压弹簧腔,实际工作中,Y5的设定压力小于Y7的设定压力,对不对?
回复

使用道具 举报

  • 打卡等级:偶尔看看
  • 打卡总天数:66
  • 打卡总奖励:158
发表于 2014-9-20 19:10:20 | 显示全部楼层
本帖最后由 zzfjct 于 2014-9-20 19:14 编辑

3楼正解!内置阻尼的压力插件可以这样表示的,4楼的问题光凭这个原理图是无法回答的(知道原理图出处的另当别论)。
回复

使用道具 举报

您需要登录后才可以回帖 登录 | 立即注册

本版积分规则