设为首页
收藏本站
所有帖子
关于我们
联系我们
微信群
开启辅助访问
搜索
搜索
本版
用户
门户
Portal
资讯
液压资讯
观点
观点
产品
液压产品
技术
液压技术
合集
导读
Guide
下载
签到
金币
论坛
BBS
登录
立即注册
腾讯QQ
账号
自动登录
找回密码
密码
登录
立即注册
只需一步,快速开始
好友
动态
收藏
分享
帖子
日志
记录
相册
留言板
勋章
任务
道具
设置
退出
液压圈
»
论坛
›
液压元件
›
液压油缸
›
哪种设备上的缓冲油缸
负载敏感资料下载
|
液压培训资料下载
|
液压样本下载
|
AMESim资料下载
|
力士乐资料下载
|
挖掘机资料下载
|
标准资料下载
|
多路阀资料下载
返回列表
查看:
4779
|
回复:
4
哪种设备上的缓冲油缸
[复制链接]
xu_yingdance
xu_yingdance
当前离线
积分
208
注册时间
2011-6-3
最后登录
1970-1-1
IP卡
狗仔卡
发表于 2014-9-23 09:37:19
|
显示全部楼层
|
阅读模式
本帖最后由 xu_yingdance 于 2014-9-23 10:28 编辑
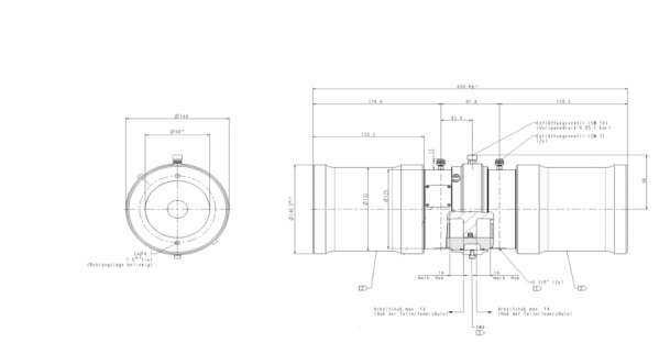
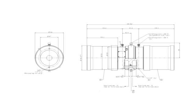
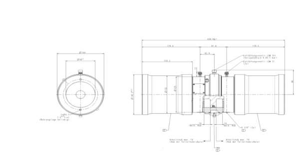
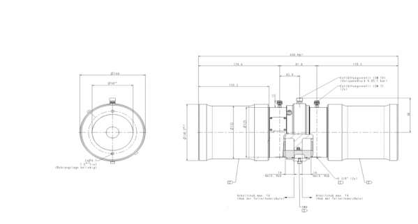
请问,这种缓冲
油缸
,有谁认识是用在什么设备上,以及相关的应用背景?
1是液压进出油口SW7是排气阀
行程14mm,
是一种电车上的设备。具体有没有朋友了解应用背景?
谢谢
缓冲油缸
回复
使用道具
举报
提升卡
置顶卡
变色卡
qiuqingwu15
qiuqingwu15
当前离线
积分
56
注册时间
2012-8-28
最后登录
1970-1-1
IP卡
狗仔卡
打卡等级:常驻居民
打卡总天数:407
打卡总奖励:1475
发表于 2014-9-23 10:22:16
|
显示全部楼层
看不出来
回复
使用道具
举报
二一黑客
二一黑客
当前离线
积分
142
注册时间
2013-9-7
最后登录
1970-1-1
IP卡
狗仔卡
发表于 2014-9-23 15:08:29
|
显示全部楼层
这也是油缸?
回复
使用道具
举报
xu_yingdance
xu_yingdance
当前离线
积分
208
注册时间
2011-6-3
最后登录
1970-1-1
IP卡
狗仔卡
楼主
|
发表于 2014-9-24 09:30:23
|
显示全部楼层
是双出杆液压缸,行程特别小,有没有网友知道其应用背景?
回复
使用道具
举报
梵蒂冈
梵蒂冈
当前离线
积分
78
注册时间
2012-12-11
最后登录
1970-1-1
IP卡
狗仔卡
发表于 2014-9-24 10:10:14
|
显示全部楼层
没见过啊 !!!
回复
使用道具
举报
返回列表
高级模式
B
Color
Image
Link
Quote
Code
Smilies
您需要登录后才可以回帖
登录
|
立即注册
本版积分规则
发表回复
回帖后跳转到最后一页
浏览过的版块
供求信息
液压电磁阀
资料下载
液压多路阀
快速回复
返回顶部
返回列表