搜索
汉力达液压金币充值官方微信群液压资料下载
查看: 11520|回复: 18

请问附件图中油路走向及插装阀是如何工作的

  [复制链接]
发表于 2014-10-3 17:13:31 | 显示全部楼层 |阅读模式
本帖最后由 beinibb 于 2014-10-3 17:20 编辑

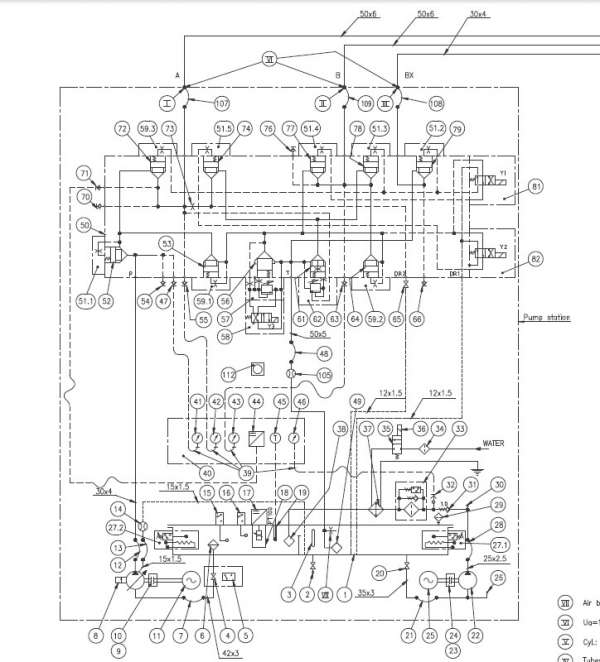
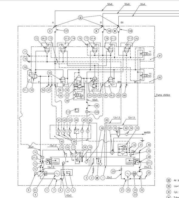
问图一:1、加压时,油路的走向
       2、卸压时,油路的走向
       3、加压及卸压过程中,各油路是如何通过各插装阀

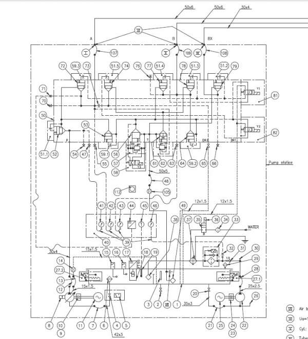
问图二:阀块上64、74、79是插装阀吗?怎么看着像单向阀啊

图一:液压原理图

图一:液压原理图

图二:液压阀块

图二:液压阀块
 楼主| 发表于 2014-10-3 17:22:49 | 显示全部楼层
有大神帮忙回复一下吗?原理图上的插装阀我真是搞混了,看不懂油路的走向啊,求助中…………。
回复

使用道具 举报

  • 打卡等级:无名新人
  • 打卡总天数:14
  • 打卡总奖励:14
发表于 2014-10-3 17:59:36 | 显示全部楼层
二通插装阀的关键点为插装阀的上腔(控制腔)的高压控制油引入,阀芯关闭,插装阀的上腔(控制腔)的高压控制油引出,阀芯打开,插装阀上有溢流阀的就是溢流阀。插装阀上有溢流阀并有换向阀的就是电磁溢流阀,可由电磁铁来控制卸荷

回复

使用道具 举报

  • 打卡等级:论坛老炮
  • 打卡总天数:1170
  • 打卡总奖励:1820
发表于 2014-10-3 19:03:01 | 显示全部楼层
版主回复正确。Y1和Y2不得电时,72打开A口进油,78打开B口回油。Y1和Y2得电时,77打开B口进油,74打开A口回油。当Y3不得电时,系统卸荷。得电系统建立压力。
回复

使用道具 举报

  • 打卡等级:伴坛终老
  • 打卡总天数:2453
  • 打卡总奖励:6766
发表于 2014-10-4 07:22:50 | 显示全部楼层
受益匪浅。
回复

使用道具 举报

  • 打卡等级:伴坛终老
  • 打卡总天数:2773
  • 打卡总奖励:7806
发表于 2014-10-4 09:54:12 | 显示全部楼层
原理图不知道是怎么了,虽然都能看得见,但看着有点恐惧感,可能是不够清晰吧
回复

使用道具 举报

  • 打卡等级:无名新人
  • 打卡总天数:9
  • 打卡总奖励:62
发表于 2014-10-4 10:32:44 | 显示全部楼层
楼主,此液压原理图是用在什么设备上面的啊,能否把完整的原理图上传一份,谢谢!
回复

使用道具 举报

  • 打卡等级:论坛老炮
  • 打卡总天数:1170
  • 打卡总奖励:1820
发表于 2014-10-4 10:38:25 来自手机 | 显示全部楼层
应该是老外的设计图纸吧!
回复

使用道具 举报

 楼主| 发表于 2014-10-4 11:37:40 | 显示全部楼层
yc87001 发表于 2014-10-4 10:32
楼主,此液压原理图是用在什么设备上面的啊,能否把完整的原理图上传一份,谢谢!

用在进口ATOX50立磨上的,是鬼佬的东西,我看得头都大,。怎么传给你,留个邮箱
回复

使用道具 举报

 楼主| 发表于 2014-10-4 11:38:26 | 显示全部楼层
qqqqqqwwww 发表于 2014-10-4 10:38
应该是老外的设计图纸吧!

正确,就是老外的东西
回复

使用道具 举报

您需要登录后才可以回帖 登录 | 立即注册

本版积分规则