设为首页
收藏本站
所有帖子
关于我们
联系我们
微信群
开启辅助访问
搜索
搜索
本版
用户
门户
Portal
资讯
液压资讯
观点
观点
产品
液压产品
技术
液压技术
合集
导读
Guide
下载
签到
金币
论坛
BBS
登录
立即注册
腾讯QQ
账号
自动登录
找回密码
密码
登录
立即注册
只需一步,快速开始
好友
动态
收藏
分享
帖子
日志
记录
相册
留言板
勋章
任务
道具
设置
退出
液压圈
»
论坛
›
液压系统
›
AMESim
›
液压缸的brp2中的brp17和brp18
负载敏感资料下载
|
液压培训资料下载
|
液压样本下载
|
AMESim资料下载
|
力士乐资料下载
|
挖掘机资料下载
|
标准资料下载
|
多路阀资料下载
返回列表
查看:
3965
|
回复:
3
液压缸的brp2中的brp17和brp18
[复制链接]
cx19921103
cx19921103
当前离线
积分
12
注册时间
2014-10-12
最后登录
1970-1-1
IP卡
狗仔卡
发表于 2014-10-24 10:05:53
|
显示全部楼层
|
阅读模式
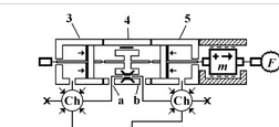
别人建立的液压缸模型是对称的,就是brp17和brp18的组合,但是我的只有两个brp17,我找不到brp18
液压缸的brp2中的brp17和brp18
液压缸的brp2中的brp17和brp18
回复
使用道具
举报
提升卡
置顶卡
变色卡
syj
syj
当前离线
积分
3
注册时间
2014-10-24
最后登录
1970-1-1
IP卡
狗仔卡
发表于 2014-10-24 14:54:12
|
显示全部楼层
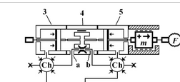
别人建立的液压缸模型是对称的,就是brp17和brp18的组合,但是我的只有两个brp17,我找不到brp18
- 本文出自液压圈,原文地址:
https://www.iyeya.cn/thread-22989-1-1.html
回复
使用道具
举报
syj
syj
当前离线
积分
3
注册时间
2014-10-24
最后登录
1970-1-1
IP卡
狗仔卡
发表于 2014-10-24 14:54:36
|
显示全部楼层
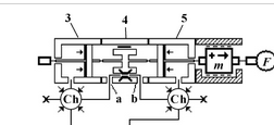
别人建立的液压缸模型是对称的,就是brp17和brp18的组合,但是我的只有两个brp17,我找不到brp18
- 本文出自液压圈,原文地址:
https://www.iyeya.cn/thread-22989-1-1.html
回复
使用道具
举报
醉乐清风
醉乐清风
当前离线
积分
1908
注册时间
2013-3-22
最后登录
1970-1-1
IP卡
狗仔卡
打卡等级:常驻居民
打卡总天数:365
打卡总奖励:2062
发表于 2014-10-24 20:03:01
|
显示全部楼层
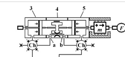
先确定缸体及活塞是否都有位移,上下两图使用的模块不一样!
回复
使用道具
举报
返回列表
高级模式
B
Color
Image
Link
Quote
Code
Smilies
您需要登录后才可以回帖
登录
|
立即注册
本版积分规则
发表回复
回帖后跳转到最后一页
浏览过的版块
液压技术
工程机械
快速回复
返回顶部
返回列表