设为首页
收藏本站
所有帖子
关于我们
联系我们
微信群
开启辅助访问
搜索
搜索
本版
用户
门户
Portal
资讯
液压资讯
观点
观点
产品
液压产品
技术
液压技术
合集
导读
Guide
下载
签到
金币
论坛
BBS
登录
立即注册
腾讯QQ
账号
自动登录
找回密码
密码
登录
立即注册
只需一步,快速开始
好友
动态
收藏
分享
帖子
日志
记录
相册
留言板
勋章
任务
道具
设置
退出
液压圈
»
论坛
›
液压元件
›
液压多路阀
›
首次接触这类型的阀,求问是否就是多路阀?主要功能是什 ...
负载敏感资料下载
|
液压培训资料下载
|
液压样本下载
|
AMESim资料下载
|
力士乐资料下载
|
挖掘机资料下载
|
标准资料下载
|
多路阀资料下载
返回列表
查看:
3790
|
回复:
5
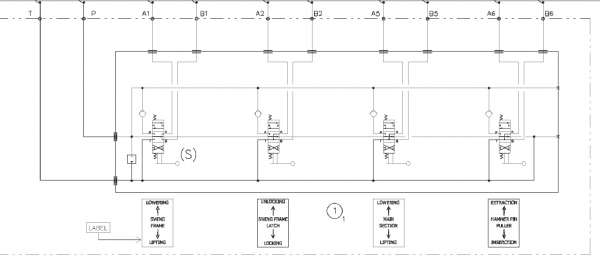
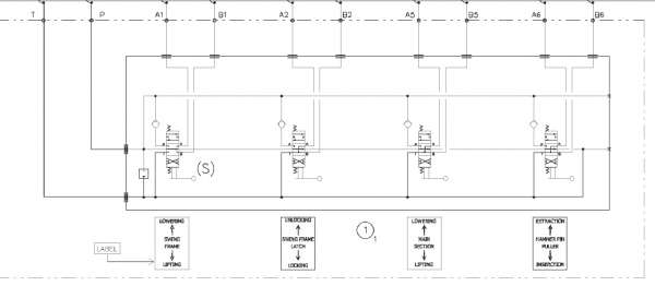
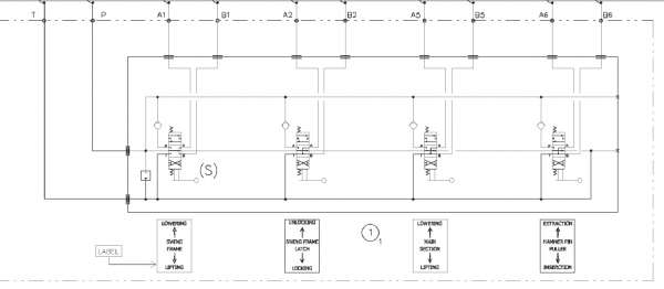
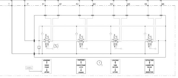
首次接触这类型的阀,求问是否就是多路阀?主要功能是什么
[复制链接]
pishposh
pishposh
当前离线
积分
87
注册时间
2014-6-4
最后登录
1970-1-1
IP卡
狗仔卡
打卡等级:无名新人
打卡总天数:2
打卡总奖励:3
发表于 2014-11-3 22:39:03
|
显示全部楼层
|
阅读模式
请各路大神帮忙看一下这是属于
多路阀
吗?他的功用是什么?首次接触到就直接摸瞎了
首次接触这类型的阀,求问是否就是多路阀?主要功能是什么
回复
使用道具
举报
提升卡
置顶卡
变色卡
初学者
初学者
当前离线
积分
425
注册时间
2011-11-25
最后登录
1970-1-1
IP卡
狗仔卡
打卡等级:偶尔看看
打卡总天数:124
打卡总奖励:830
发表于 2014-11-4 08:40:01
|
显示全部楼层
是
回复
使用道具
举报
液压工兵
液压工兵
当前离线
积分
347
注册时间
2011-6-16
最后登录
1970-1-1
IP卡
狗仔卡
打卡等级:无名新人
打卡总天数:3
打卡总奖励:4
发表于 2014-11-4 08:47:10
|
显示全部楼层
这就是普通的多联换向阀
回复
使用道具
举报
陆海
陆海
当前离线
积分
59
注册时间
2014-11-1
最后登录
1970-1-1
IP卡
狗仔卡
打卡等级:偶尔看看
打卡总天数:144
打卡总奖励:1063
发表于 2014-11-4 20:03:01
|
显示全部楼层
普通多路换向阀,不是多路阀。
回复
使用道具
举报
Collin
Collin
当前离线
积分
17
注册时间
2014-3-30
最后登录
1970-1-1
IP卡
狗仔卡
打卡等级:即来则安
打卡总天数:204
打卡总奖励:1166
发表于 2014-11-6 10:31:02
|
显示全部楼层
每片带进口单向阀,属于普通的多路阀,手动+弹簧复位的
回复
使用道具
举报
wangxiang7769
wangxiang7769
当前离线
积分
50
注册时间
2012-12-6
最后登录
1970-1-1
IP卡
狗仔卡
发表于 2014-11-10 15:00:30
|
显示全部楼层
应该是普通的多路阀吧
回复
使用道具
举报
返回列表
高级模式
B
Color
Image
Link
Quote
Code
Smilies
您需要登录后才可以回帖
登录
|
立即注册
本版积分规则
发表回复
回帖后跳转到最后一页
浏览过的版块
供求信息
液压电磁阀
AMESim
快速回复
返回顶部
返回列表