搜索
金币充值液压资料下载官方微信群
查看: 4700|回复: 6

[其他机械] 大神看一下这个1500吨压装机的保压问题

[复制链接]
  • 打卡等级:无名新人
  • 打卡总天数:22
  • 打卡总奖励:143
发表于 2014-11-4 08:58:22 | 显示全部楼层 |阅读模式
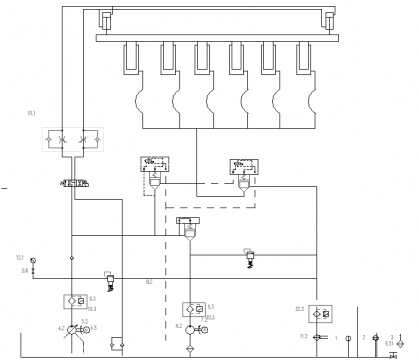
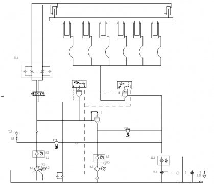
   原理图在下面,想设计一保压回路,用蓄能器可以吗?回路应该怎么改动?求个无聊的大神帮忙看一下,不盛感激!!

大神看一下这个1500吨压装机的保压问题

大神看一下这个1500吨压装机的保压问题

  • 打卡等级:偶尔看看
  • 打卡总天数:78
  • 打卡总奖励:170
发表于 2014-11-4 10:02:25 | 显示全部楼层
短时间保压:进油阀改B→A流向,插装阀先导阀改球阀。
长时间保压:小排量高压泵源改恒压泵。
回复

使用道具 举报

  • 打卡等级:无名新人
  • 打卡总天数:22
  • 打卡总奖励:143
 楼主| 发表于 2014-11-4 11:38:45 | 显示全部楼层
zzfjct 发表于 2014-11-4 10:02
短时间保压:进油阀改B→A流向,插装阀先导阀改球阀。
长时间保压:小排量高压泵源改恒压泵。

是长时间保压,改的话只是换一下泵就可以了吗?回路用不用改?还有就是你是怎么想到换泵的?我是小白,求师傅指点一下,感谢啊。。!
回复

使用道具 举报

  • 打卡等级:无名新人
  • 打卡总天数:22
  • 打卡总奖励:143
 楼主| 发表于 2014-11-4 12:00:55 | 显示全部楼层
zzfjct 发表于 2014-11-4 10:02
短时间保压:进油阀改B→A流向,插装阀先导阀改球阀。
长时间保压:小排量高压泵源改恒压泵。

是长时间保压,但是改的话只是换一下泵就可以了吗?回路用不用改呢?请问你是怎么想到换泵的?我是小白,求师傅指导一下,非常感激!谢谢!

点评

同时采用短时间保压措施。  发表于 2014-11-4 13:09
回复

使用道具 举报

  • 打卡等级:无名新人
  • 打卡总天数:22
  • 打卡总奖励:143
 楼主| 发表于 2014-11-4 14:48:39 | 显示全部楼层
zzfjct 发表于 2014-11-4 10:02
短时间保压:进油阀改B→A流向,插装阀先导阀改球阀。
长时间保压:小排量高压泵源改恒压泵。

改的话只是换一下泵就可以了吗?回路应该怎么改呢?请问你是怎么想到换泵的?大神师傅,求解答,你没有告诉我呢
回复

使用道具 举报

  • 打卡等级:偶尔看看
  • 打卡总天数:78
  • 打卡总奖励:170
发表于 2014-11-4 18:04:16 | 显示全部楼层
yin1991g 发表于 2014-11-4 14:48
改的话只是换一下泵就可以了吗?回路应该怎么改呢?请问你是怎么想到换泵的?大神师傅,求解答,你没有告 ...

长时间保压换恒压泵后低压泵用卸荷溢流阀下载,其它可不改,保压时进油阀开启。
长时间(数分钟以上)保压用恒压泵和蓄能器都可以,综合考虑恒压泵较合理。
回复

使用道具 举报

您需要登录后才可以回帖 登录 | 立即注册

本版积分规则