设为首页
收藏本站
所有帖子
关于我们
联系我们
微信群
开启辅助访问
搜索
搜索
本版
用户
门户
Portal
资讯
液压资讯
观点
观点
产品
液压产品
技术
液压技术
合集
导读
Guide
下载
签到
金币
论坛
BBS
登录
立即注册
腾讯QQ
账号
自动登录
找回密码
密码
登录
立即注册
只需一步,快速开始
好友
动态
收藏
分享
帖子
日志
记录
相册
留言板
勋章
任务
道具
设置
退出
液压圈
»
论坛
›
液压系统
›
AMESim
›
请教:溢流阀模型开启压力
负载敏感资料下载
|
液压培训资料下载
|
液压样本下载
|
AMESim资料下载
|
力士乐资料下载
|
挖掘机资料下载
|
标准资料下载
|
多路阀资料下载
返回列表
查看:
6636
|
回复:
6
请教:溢流阀模型开启压力
[复制链接]
奋斗一生ing
奋斗一生ing
当前离线
积分
60
注册时间
2014-9-28
最后登录
1970-1-1
IP卡
狗仔卡
发表于 2014-11-6 17:12:04
|
显示全部楼层
|
阅读模式
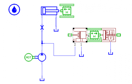
建了一个进口节流回路的模型,溢流阀用了HCD库建的,开口压力还有那个弹簧刚度不知道怎么设,求朋友们指点下!
模型
请教:溢流阀模型开启压力
相关帖子
.
黄山工业泵 HSNH2900螺杆泵 模型
.
分享一款 松下伺服电机模型 型号:MSMF5AZL1C2
.
PRB 25 手动泵 模型
.
外啮合齿轮泵模型
.
HYDAC 贺德克 RFM内置回油过滤器 模型
.
SW管接头模型,需要的自行下载
.
请教关于AMESIM液压建模问题
.
AMESim中如何通过改变电流控制电磁线圈以及电磁铁带动活塞运动
.
两档变速箱模型
.
Parker 接头模型
回复
使用道具
举报
提升卡
置顶卡
变色卡
醉乐清风
醉乐清风
当前离线
积分
1908
注册时间
2013-3-22
最后登录
1970-1-1
IP卡
狗仔卡
打卡等级:常驻居民
打卡总天数:365
打卡总奖励:2062
发表于 2014-11-7 15:06:25
|
显示全部楼层
查查样本,看看设置多大,经验值也行
回复
使用道具
举报
奋斗一生ing
奋斗一生ing
当前离线
积分
60
注册时间
2014-9-28
最后登录
1970-1-1
IP卡
狗仔卡
楼主
|
发表于 2014-11-8 16:34:47
|
显示全部楼层
醉乐清风 发表于 2014-11-7 15:06
查查样本,看看设置多大,经验值也行
我计算以后输入进去,结果和我计算不符合
回复
使用道具
举报
饭米粒
饭米粒
当前离线
积分
38
注册时间
2014-12-8
最后登录
1970-1-1
IP卡
狗仔卡
打卡等级:无名新人
打卡总天数:1
打卡总奖励:1
发表于 2014-12-8 17:17:07
|
显示全部楼层
用的asim吗。。。。。。我也在学习
回复
使用道具
举报
饭米粒
饭米粒
当前离线
积分
38
注册时间
2014-12-8
最后登录
1970-1-1
IP卡
狗仔卡
打卡等级:无名新人
打卡总天数:1
打卡总奖励:1
发表于 2014-12-8 17:17:32
|
显示全部楼层
不错,,正在学习中。。。
回复
使用道具
举报
zhengyi2010
zhengyi2010
当前离线
积分
223
注册时间
2010-9-8
最后登录
1970-1-1
IP卡
狗仔卡
发表于 2014-12-9 15:17:03
|
显示全部楼层
你跟我一样,同样不知道样本里实际的弹簧刚度是多少。
我是选择随便试,其实弹簧刚度对系统的影响并不是特别大,唯一有一个明显的影响是会影响“溢流阀的调压偏差(压力随流量增大而稍微增大的特性)”。
如果你的系统不稳定,则应该关注阻尼。——阻尼就是对阀芯运动的阻碍作用,它可以是质量模块(M)的摩擦力、粘滞摩擦系数(coefficient of viscous friction)以及阻尼孔(我是设置在上腔的出口与油箱之间)。阻尼大了,阀芯就越稳定,但相应的响应速度会有一定程度的降低。
点评
zhengyi2010
弹簧刚度我一般选的是10-200N/mm之间,其实根***要是可以自己去改的。
发表于 2014-12-9 15:18
回复
使用道具
举报
返回列表
高级模式
B
Color
Image
Link
Quote
Code
Smilies
您需要登录后才可以回帖
登录
|
立即注册
本版积分规则
发表回复
回帖后跳转到最后一页
浏览过的版块
故障诊断
快速回复
返回顶部
返回列表