设为首页
收藏本站
所有帖子
关于我们
联系我们
微信群
开启辅助访问
搜索
搜索
本版
用户
门户
Portal
资讯
液压资讯
观点
观点
产品
液压产品
技术
液压技术
合集
导读
Guide
下载
签到
金币
论坛
BBS
登录
立即注册
腾讯QQ
账号
自动登录
找回密码
密码
登录
立即注册
只需一步,快速开始
好友
动态
收藏
分享
帖子
日志
记录
相册
留言板
勋章
任务
道具
设置
退出
液压圈
»
论坛
›
液压系统
›
AMESim
›
求助,这个demo在哪里可以找到?我用的是R12 ...
负载敏感资料下载
|
液压培训资料下载
|
液压样本下载
|
AMESim资料下载
|
力士乐资料下载
|
挖掘机资料下载
|
标准资料下载
|
多路阀资料下载
返回列表
查看:
4073
|
回复:
3
求助,这个demo在哪里可以找到?我用的是R12
[复制链接]
431959581
431959581
当前离线
积分
17
注册时间
2014-10-15
最后登录
1970-1-1
IP卡
狗仔卡
发表于 2014-11-10 16:14:22
|
显示全部楼层
|
阅读模式
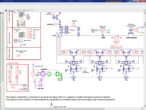
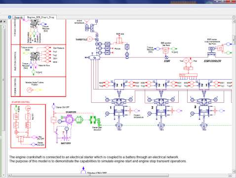
这是 Lib_IFP Engine里的一个例子,有知道这个文件在什么地方的吗?
求助,这个demo在哪里可以找到?我用的是R12
回复
使用道具
举报
提升卡
置顶卡
变色卡
醉乐清风
醉乐清风
当前离线
积分
1908
注册时间
2013-3-22
最后登录
1970-1-1
IP卡
狗仔卡
打卡等级:常驻居民
打卡总天数:365
打卡总奖励:2062
发表于 2014-11-10 19:07:04
|
显示全部楼层
你找找看看是不是想要的
回复
使用道具
举报
lgz2868
lgz2868
当前离线
积分
823
注册时间
2013-5-16
最后登录
1970-1-1
IP卡
狗仔卡
发表于 2014-11-15 14:55:41
|
显示全部楼层
amesim自带的help,有很多demo提供学习
回复
使用道具
举报
醉乐清风
醉乐清风
当前离线
积分
1908
注册时间
2013-3-22
最后登录
1970-1-1
IP卡
狗仔卡
打卡等级:常驻居民
打卡总天数:365
打卡总奖励:2062
发表于 2014-11-15 18:56:45
|
显示全部楼层
这个例子找到了没啊?
回复
使用道具
举报
返回列表
高级模式
B
Color
Image
Link
Quote
Code
Smilies
您需要登录后才可以回帖
登录
|
立即注册
本版积分规则
发表回复
回帖后跳转到最后一页
浏览过的版块
公告区
插装阀
快速回复
返回顶部
返回列表