设为首页
收藏本站
所有帖子
关于我们
联系我们
微信群
开启辅助访问
搜索
搜索
本版
用户
门户
Portal
资讯
液压资讯
观点
观点
产品
液压产品
技术
液压技术
合集
导读
Guide
下载
签到
金币
论坛
BBS
登录
立即注册
腾讯QQ
账号
自动登录
找回密码
密码
登录
立即注册
只需一步,快速开始
好友
动态
收藏
分享
帖子
日志
记录
相册
留言板
勋章
任务
道具
设置
退出
液压圈
»
论坛
›
液压元件
›
液压泵马达
›
请教各位高手柱塞马达轴封经常打爆,是否系统设计不合理 ...
负载敏感资料下载
|
液压培训资料下载
|
液压样本下载
|
AMESim资料下载
|
力士乐资料下载
|
挖掘机资料下载
|
标准资料下载
|
多路阀资料下载
1
2
3
4
/ 4 页
下一页
返回列表
查看:
12961
|
回复:
35
请教各位高手柱塞马达轴封经常打爆,是否系统设计不合理?
[复制链接]
azhu003
azhu003
当前离线
积分
9
注册时间
2014-11-5
最后登录
1970-1-1
IP卡
狗仔卡
发表于 2014-11-17 19:48:32
|
显示全部楼层
|
阅读模式
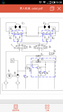
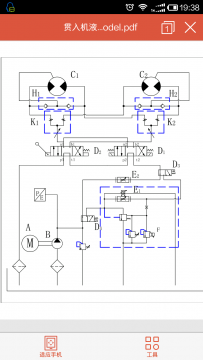
如图所示系统,油管总长160m,设备在水下工作60m水深,油箱在岸上。多余的油管收在绞车上。
泄压油路与回油油路接在一起,轴封经常打爆,且油温温升速度很快。
马达
油路
相关帖子
.
丹佛斯H1B马达
.
赫格隆CA70 70 SALN00 02 00马达样本、图纸、及控制阀
.
专业生产、维修赫格隆CA系列马达
.
1QJM01-0.2型号的马达大量采购,1手货源抓紧联系18635063603
.
请教各位大师,履带行走采用闭式系统
.
有偿求助!关于液压机械无级变速器(HMCVT)建模
.
意大利brevini摆线马达样本
.
谁用过国产A6V的马达,用在卷扬提升上,
.
外五星径向柱塞马达,
.
定量泵风扇驱动系统该如何匹配
回复
使用道具
举报
提升卡
置顶卡
变色卡
α-X
α-X
当前离线
积分
298
注册时间
2012-4-19
最后登录
1970-1-1
IP卡
狗仔卡
发表于 2014-11-17 20:55:37
|
显示全部楼层
轴封说明承受了不该承受的压力值。是不是泄油压力大小
回复
使用道具
举报
longlong0633
longlong0633
当前离线
积分
106
注册时间
2011-8-26
最后登录
1970-1-1
IP卡
狗仔卡
发表于 2014-11-17 21:20:42
|
显示全部楼层
壳体压力太大,泄油有背压,
回复
使用道具
举报
longlong0633
longlong0633
当前离线
积分
106
注册时间
2011-8-26
最后登录
1970-1-1
IP卡
狗仔卡
发表于 2014-11-17 22:30:39
|
显示全部楼层
加个接力泵,压力大于6bar就差不多可以了,低压大流量,用个齿轮泵或者螺杆泵,把回油整个抽掉,让回油路背压<2.5bar。
点评
lawdx
抽是没有用的,抽到绝对真空也才减小1bar的背压,没有用。
发表于 2023-8-29 11:23
回复
使用道具
举报
whx-002
whx-002
当前离线
积分
610
注册时间
2010-10-14
最后登录
1970-1-1
IP卡
狗仔卡
打卡等级:初来乍到
打卡总天数:30
打卡总奖励:196
发表于 2014-11-18 08:10:26
|
显示全部楼层
考虑4楼~
回复
使用道具
举报
lwy4558
lwy4558
当前离线
积分
64
注册时间
2014-10-25
最后登录
1970-1-1
IP卡
狗仔卡
打卡等级:偶尔看看
打卡总天数:148
打卡总奖励:583
发表于 2014-11-18 08:37:09
|
显示全部楼层
回油压力大或壳内润滑压力大。
回复
使用道具
举报
风雨人生
风雨人生
当前离线
积分
418
注册时间
2012-2-26
最后登录
1970-1-1
IP卡
狗仔卡
打卡等级:论坛老炮
打卡总天数:1228
打卡总奖励:2691
发表于 2014-11-18 08:37:47
|
显示全部楼层
由于回油路上装有同步阀,回油背压经常大于油马达泄油口允许压力,导致马达油封打爆。
回复
使用道具
举报
zhangjianfu81
zhangjianfu81
当前离线
积分
48
注册时间
2011-3-11
最后登录
1970-1-1
IP卡
狗仔卡
发表于 2014-11-18 08:41:44
|
显示全部楼层
泄露回路背压太大,超过壳体压力,泄露回路单独接,管径大小要适中
回复
使用道具
举报
wo56052
wo56052
当前离线
积分
305
注册时间
2014-7-11
最后登录
1970-1-1
IP卡
狗仔卡
发表于 2014-11-18 08:50:02
|
显示全部楼层
怎么弄这么多个溢流阀呢
回复
使用道具
举报
苦行僧
苦行僧
当前离线
积分
430
注册时间
2011-4-11
最后登录
1970-1-1
IP卡
狗仔卡
打卡等级:无名新人
打卡总天数:3
打卡总奖励:10
发表于 2014-11-18 09:55:29
|
显示全部楼层
你管路这么长,马达泄露有口还不单独回油,不爆才怪。你可以测一下马达泄露口的压力,距离马达越近越好。
回复
使用道具
举报
下一页 »
1
2
3
4
/ 4 页
下一页
返回列表
高级模式
B
Color
Image
Link
Quote
Code
Smilies
您需要登录后才可以回帖
登录
|
立即注册
本版积分规则
发表回复
回帖后跳转到最后一页
浏览过的版块
资料下载
液压技术
供求信息
快速回复
返回顶部
返回列表