搜索
汉力达液压金币充值官方微信群液压资料下载
查看: 4429|回复: 5

AMEsim找不到这种原件 如同图

[复制链接]
  • 打卡等级:无名新人
  • 打卡总天数:1
  • 打卡总奖励:5
发表于 2014-11-21 09:14:22 | 显示全部楼层 |阅读模式

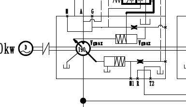
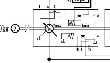
图中

图中

图中的几个元件找不到
  • 打卡等级:初来乍到
  • 打卡总天数:30
  • 打卡总奖励:196
发表于 2014-11-21 09:53:41 | 显示全部楼层
自己搭建~AME没有~如果你能找到力士乐的库也行,,,,
回复

使用道具 举报

发表于 2014-11-22 19:46:19 | 显示全部楼层
你的那个阀是什么样的,看不清啊
回复

使用道具 举报

  • 打卡等级:无名新人
  • 打卡总天数:1
  • 打卡总奖励:5
 楼主| 发表于 2014-11-23 10:05:23 | 显示全部楼层
lgz2868 发表于 2014-11-22 19:46
你的那个阀是什么样的,看不清啊

这个阀旁边的这个元件有么???????{:7_274:}
回复

使用道具 举报

  • 打卡等级:常驻居民
  • 打卡总天数:333
  • 打卡总奖励:1688
发表于 2014-11-24 08:04:29 | 显示全部楼层
请教---如何搭建?
回复

使用道具 举报

  • 打卡等级:无名新人
  • 打卡总天数:1
  • 打卡总奖励:5
 楼主| 发表于 2014-11-24 20:02:05 | 显示全部楼层
龙游渤海 发表于 2014-11-24 08:04
请教---如何搭建?

研究中呢
回复

使用道具 举报

您需要登录后才可以回帖 登录 | 立即注册

本版积分规则