搜索
金币充值液压资料下载官方微信群
查看: 6038|回复: 7

节流单向阀作用

[复制链接]
发表于 2014-11-23 21:13:32 | 显示全部楼层 |阅读模式
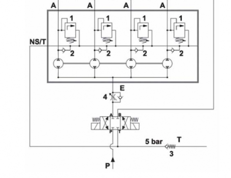
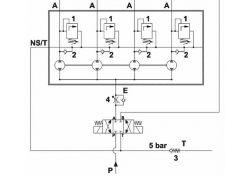
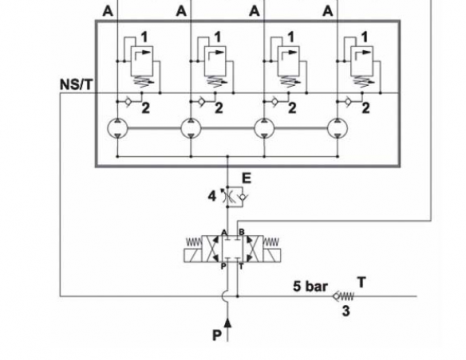
看官讨论下图中节流单向阀作用

节流单向阀作用

节流单向阀作用
 楼主| 发表于 2014-11-23 21:22:30 | 显示全部楼层
进油时此节流单向阀作用?
回复

使用道具 举报

  • 打卡等级:即来则安
  • 打卡总天数:252
  • 打卡总奖励:1118
发表于 2014-11-23 22:22:30 | 显示全部楼层
此阀用于控制两种工况:
1. 马达正向旋转时,需要快速,油液通过单向阀供油;
2. 马达反向旋转时,需要慢速,以增加其被压,油液只能通过节流孔回油。
希望对您又帮助,这种用法很常见。
回复

使用道具 举报

  • 打卡等级:无名新人
  • 打卡总天数:6
  • 打卡总奖励:9
发表于 2014-11-23 22:53:28 | 显示全部楼层
能有什么特别的说法么。
回复

使用道具 举报

  • 打卡等级:无名新人
  • 打卡总天数:2
  • 打卡总奖励:3
发表于 2014-11-24 09:27:16 | 显示全部楼层
这个是同步分流马达的原理图!!阀4 具备一个经常被分流器
液压回路所忽略的重要作用:当高压油从泵流入
液压缸时,分流器的任务是收集液压缸的回油并
保证流量的一致性。这时阀4 的作用就是防止分
流器按照最快的液压缸的速度来运行而导致其它
液压缸没能及时跟上。当然,当所有的液压缸都
以相同速度运行时,分流器则仅仅起到一个“收
集器”的作用。溢流阀或平衡阀也可以用来取代
节流阀4 的作用。当液压缸在进行回行程存在负
载时,譬如自重回落状态,回路中这样一个阀的
作用就变得特别重要。
回复

使用道具 举报

  • 打卡等级:无名新人
  • 打卡总天数:1
  • 打卡总奖励:7
发表于 2014-11-24 19:22:19 | 显示全部楼层
是正向大流量  反向小流量的吧
回复

使用道具 举报

 楼主| 发表于 2014-12-3 20:02:36 | 显示全部楼层
交流学习 发表于 2014-11-23 22:22
此阀用于控制两种工况:
1. 马达正向旋转时,需要快速,油液通过单向阀供油;
2. 马达反向旋转时,需要慢 ...

当反向不需要慢速岂不可以去掉
回复

使用道具 举报

  • 打卡等级:无名新人
  • 打卡总天数:1
  • 打卡总奖励:9
发表于 2014-12-10 17:40:18 | 显示全部楼层
这个要根据你实际的工况来讲。首先你这个工况应该是要求正转快速响应反转稍慢响应。单向节流阀并不能减小系统流量但可以调节反应速度。而且节流效果明显的时候发热也会响应很明显。
回复

使用道具 举报

您需要登录后才可以回帖 登录 | 立即注册

本版积分规则