设为首页
收藏本站
所有帖子
关于我们
联系我们
微信群
开启辅助访问
搜索
搜索
本版
用户
门户
Portal
资讯
液压资讯
观点
观点
产品
液压产品
技术
液压技术
合集
导读
Guide
下载
签到
金币
论坛
BBS
登录
立即注册
腾讯QQ
账号
自动登录
找回密码
密码
登录
立即注册
只需一步,快速开始
好友
动态
收藏
分享
帖子
日志
记录
相册
留言板
勋章
任务
道具
设置
退出
液压圈
»
论坛
›
液压系统
›
液压技术
›
润滑系统
负载敏感资料下载
|
液压培训资料下载
|
液压样本下载
|
AMESim资料下载
|
力士乐资料下载
|
挖掘机资料下载
|
标准资料下载
|
多路阀资料下载
返回列表
查看:
4033
|
回复:
3
润滑系统
[复制链接]
a2080531
a2080531
当前离线
积分
7
注册时间
2015-1-7
最后登录
1970-1-1
IP卡
狗仔卡
发表于 2015-1-7 08:45:34
|
显示全部楼层
|
阅读模式
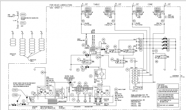
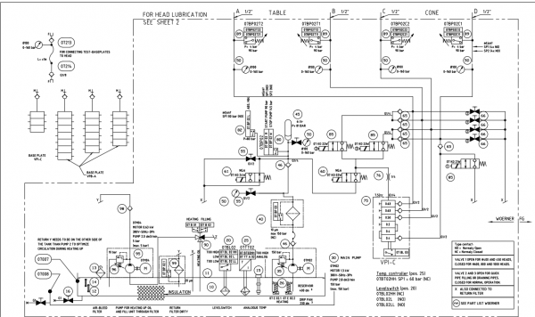
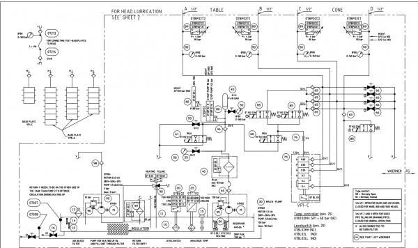
本人菜鸟一枚,液压方面懂的很少,今日被安排对次系统进行研究,我想问一下大侠们如图所示,系统又蓄能器供油,油
泵
在蓄能器低于90bar时开启,在高于145bar时关闭,序号75是递进式分配器,76是一个节流阀,我向知道75的进口流量是多少?
润滑系统
回复
使用道具
举报
提升卡
置顶卡
变色卡
wo56052
wo56052
当前离线
积分
305
注册时间
2014-7-11
最后登录
1970-1-1
IP卡
狗仔卡
发表于 2015-1-7 09:21:21
|
显示全部楼层
75进口流量就是76出口流量,这个直接按照节流孔流量公式计算就是了
回复
使用道具
举报
wo56052
wo56052
当前离线
积分
305
注册时间
2014-7-11
最后登录
1970-1-1
IP卡
狗仔卡
发表于 2015-1-7 10:09:36
|
显示全部楼层
兄弟你这个是什么东西
回复
使用道具
举报
a2080531
a2080531
当前离线
积分
7
注册时间
2015-1-7
最后登录
1970-1-1
IP卡
狗仔卡
楼主
|
发表于 2015-1-7 12:07:23
|
显示全部楼层
求解答,这是别人设计的,我只是研究。。。 求解答啊。。
回复
使用道具
举报
返回列表
高级模式
B
Color
Image
Link
Quote
Code
Smilies
您需要登录后才可以回帖
登录
|
立即注册
本版积分规则
发表回复
回帖后跳转到最后一页
快速回复
返回顶部
返回列表