设为首页
收藏本站
所有帖子
关于我们
联系我们
微信群
开启辅助访问
搜索
搜索
本版
用户
门户
Portal
资讯
液压资讯
观点
观点
产品
液压产品
技术
液压技术
合集
导读
Guide
下载
签到
金币
论坛
BBS
登录
立即注册
腾讯QQ
账号
自动登录
找回密码
密码
登录
立即注册
只需一步,快速开始
好友
动态
收藏
分享
帖子
日志
记录
相册
留言板
勋章
任务
道具
设置
退出
液压圈
»
论坛
›
液压系统
›
故障诊断
›
液压缸升降
负载敏感资料下载
|
液压培训资料下载
|
液压样本下载
|
AMESim资料下载
|
力士乐资料下载
|
挖掘机资料下载
|
标准资料下载
|
多路阀资料下载
返回列表
查看:
5338
|
回复:
6
液压缸升降
[复制链接]
恩恩enen
恩恩enen
当前离线
积分
112
注册时间
2014-6-3
最后登录
1970-1-1
IP卡
狗仔卡
发表于 2015-1-12 18:54:43
|
显示全部楼层
|
阅读模式
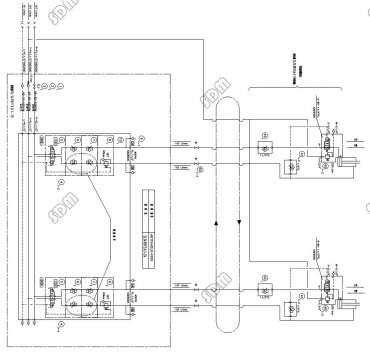
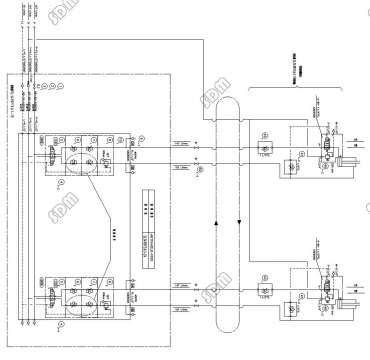
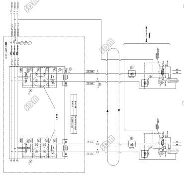
两个液压缸中的2#在重载时有时在最低位时按上升按钮时上升不动作要按很多下才动作,还有的时候出现直接不动作,但是在轻负载时是正常的;这两个液压缸是两套装置,交替使用,但是开关按钮都是同一个,1#在重载和轻载时动作都是正常的,请问原因在什么地方,谢谢!(应该不会出现缸内泄,如果出现内泄的话,缸在重载到高位时肯定会下降的,但是没有下降)
液压缸升降
回复
使用道具
举报
提升卡
置顶卡
变色卡
changtongli
changtongli
当前离线
积分
506
注册时间
2014-10-14
最后登录
1970-1-1
IP卡
狗仔卡
打卡等级:偶尔看看
打卡总天数:114
打卡总奖励:448
发表于 2015-1-12 22:18:24
|
显示全部楼层
看你的图,两个缸完全对称的,对吗?
回复
使用道具
举报
changtongli
changtongli
当前离线
积分
506
注册时间
2014-10-14
最后登录
1970-1-1
IP卡
狗仔卡
打卡等级:偶尔看看
打卡总天数:114
打卡总奖励:448
发表于 2015-1-12 22:21:57
|
显示全部楼层
若两个缸完全对称,控制部分也对称,只能考虑个别元件特性差异
回复
使用道具
举报
游勇
游勇
当前离线
积分
2577
注册时间
2011-7-5
最后登录
1970-1-1
IP卡
狗仔卡
打卡等级:初来乍到
打卡总天数:30
打卡总奖励:74
发表于 2015-1-13 00:23:48
|
显示全部楼层
若是液压缸带援冲的,有可能援冲设定出问题。看看能不能把下限的近接开关调高一点,不要进入援冲区。
回复
使用道具
举报
cqzyouxiang
cqzyouxiang
当前离线
积分
661
注册时间
2014-10-20
最后登录
1970-1-1
IP卡
狗仔卡
打卡等级:初来乍到
打卡总天数:44
打卡总奖励:323
发表于 2015-1-13 11:11:43
|
显示全部楼层
提供两点参考意见:
1、电磁阀换向是否存在问题。
用手动试试,或将1号与2号换向阀对调试试。
2、2号缸溢流阀开启压力是否低了。
调一下。不行,堵死回油试试。
回复
使用道具
举报
changtongli
changtongli
当前离线
积分
506
注册时间
2014-10-14
最后登录
1970-1-1
IP卡
狗仔卡
打卡等级:偶尔看看
打卡总天数:114
打卡总奖励:448
发表于 2015-1-13 14:14:54
|
显示全部楼层
它是向上,有问题,而且是不固定的故障现象,仔细看
回复
使用道具
举报
zrk
zrk
当前离线
积分
176
注册时间
2015-1-14
最后登录
1970-1-1
IP卡
狗仔卡
打卡等级:论坛老炮
打卡总天数:966
打卡总奖励:3218
发表于 2015-1-14 06:46:57
来自手机
|
显示全部楼层
觉得应该是背压太大造成的,应该看看下降回路中是否有较大阻尼。建议重新调整下各个阀或者检查管路
回复
使用道具
举报
返回列表
高级模式
B
Color
Image
Link
Quote
Code
Smilies
您需要登录后才可以回帖
登录
|
立即注册
本版积分规则
发表回复
回帖后跳转到最后一页
浏览过的版块
供求信息
液压泵马达
伺服控制
快速回复
返回顶部
返回列表