搜索
汉力达液压金币充值官方微信群液压资料下载
查看: 6423|回复: 13

amesim HCD阀的设计

[复制链接]
  • 打卡等级:无名新人
  • 打卡总天数:1
  • 打卡总奖励:8
发表于 2015-1-25 18:07:49 | 显示全部楼层 |阅读模式
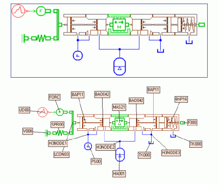
如图3通阀的设计为什么是这么设计的?

3通阀1

3通阀1

3通阀2

3通阀2

  • 打卡等级:无名新人
  • 打卡总天数:1
  • 打卡总奖励:8
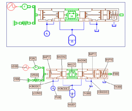
 楼主| 发表于 2015-1-25 18:12:25 | 显示全部楼层

a.gif b.gif
这个阀为什么这样设计?
回复

使用道具 举报

  • 打卡等级:无名新人
  • 打卡总天数:1
  • 打卡总奖励:8
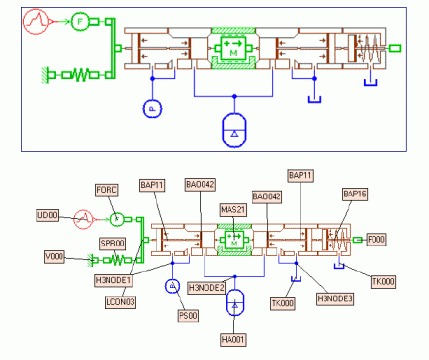
 楼主| 发表于 2015-1-25 18:19:12 | 显示全部楼层
mhj2015 发表于 2015-1-25 18:12
这个阀为什么这样设计?


c.gif 如果这样设计可以吗?
回复

使用道具 举报

  • 打卡等级:无名新人
  • 打卡总天数:1
  • 打卡总奖励:5
发表于 2015-1-25 20:03:17 | 显示全部楼层
我还想要金币!我想见三级伺服阀,我不会呀
回复

使用道具 举报

  • 打卡等级:无名新人
  • 打卡总天数:1
  • 打卡总奖励:3
发表于 2015-1-26 09:07:56 | 显示全部楼层
你举的两个例子也不一样呀?
回复

使用道具 举报

  • 打卡等级:无名新人
  • 打卡总天数:1
  • 打卡总奖励:8
 楼主| 发表于 2015-1-26 11:07:01 | 显示全部楼层
liangquan6 发表于 2015-1-26 09:07
你举的两个例子也不一样呀?

就是对于阀的设计没有思路,麻烦你看下第二个例子。教程上说的在2楼,我自己觉得三楼做法的也行吧。
回复

使用道具 举报

  • 打卡等级:无名新人
  • 打卡总天数:1
  • 打卡总奖励:3
发表于 2015-1-27 10:41:28 | 显示全部楼层
mhj2015 发表于 2015-1-26 11:07
就是对于阀的设计没有思路,麻烦你看下第二个例子。教程上说的在2楼,我自己觉得三楼做法的也行吧。

我觉得你3楼的设计有问题,你3楼模型中这部分没有体现出来 Snap1.jpg

2楼的教程就体现出来了
回复

使用道具 举报

  • 打卡等级:常驻居民
  • 打卡总天数:365
  • 打卡总奖励:2062
发表于 2015-1-27 11:54:34 | 显示全部楼层
这个你看着视频来做吧!给你几个链接
1、AMESim优秀资料索引帖(更新中) https://www.iyeya.cn/thread-22262-1-1.html
2、amesim网络研讨会视频http://pan.baidu.com/s/1jGrARMQ# ... 2586%25E9%25A2%2591
回复

使用道具 举报

  • 打卡等级:无名新人
  • 打卡总天数:1
  • 打卡总奖励:9
发表于 2015-1-31 22:01:57 | 显示全部楼层
按实物对比理解吧
回复

使用道具 举报

  • 打卡等级:无名新人
  • 打卡总天数:1
  • 打卡总奖励:8
 楼主| 发表于 2015-2-4 17:57:32 | 显示全部楼层
醉乐清风 发表于 2015-1-27 11:54
这个你看着视频来做吧!给你几个链接
1、AMESim优秀资料索引帖(更新中) https://www.iyeya.cn/thread-222 ...

十分感谢,收获很大
回复

使用道具 举报

您需要登录后才可以回帖 登录 | 立即注册

本版积分规则