搜索
汉力达液压金币充值官方微信群液压资料下载
查看: 4287|回复: 8

伺服系统

[复制链接]
发表于 2015-1-26 18:11:12 | 显示全部楼层 |阅读模式
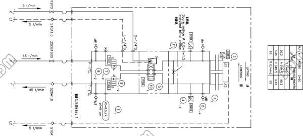
该系统可调节振动频率和行程,以保持恒定的技术参数值,频率在100左右,振幅一般都是在20mm,但是现在液压缸的振幅出现经常性的波动,为19-22mm,老出现报警,请问是什么原因

伺服系统

伺服系统

评分

参与人数 1金钱 +10 收起 理由
泛舟 + 10 很给力!

查看全部评分

  • 打卡等级:初来乍到
  • 打卡总天数:44
  • 打卡总奖励:323
发表于 2015-1-26 21:27:55 | 显示全部楼层
    10号阀芯是否有卡滞现象。
回复

使用道具 举报

  • 打卡等级:无名新人
  • 打卡总天数:4
  • 打卡总奖励:8
发表于 2015-1-26 21:40:35 | 显示全部楼层
系统压力是否稳定,放大器是否温漂?阀口是否磨损?输入是否有改变?油液粘度是否有变化?反馈信号是否校正过?
回复

使用道具 举报

  • 打卡等级:无名新人
  • 打卡总天数:1
  • 打卡总奖励:4
发表于 2015-1-26 22:24:59 | 显示全部楼层
调调PID参数就好了
回复

使用道具 举报

  • 打卡等级:偶尔看看
  • 打卡总天数:109
  • 打卡总奖励:443
发表于 2015-1-27 00:01:11 | 显示全部楼层
环境温度变了吗?油液使用多长时间了?系统有压力反馈和还是动压反馈?若环境和负载变化较大,还是重新调一下系统
回复

使用道具 举报

  • 打卡等级:论坛老炮
  • 打卡总天数:1150
  • 打卡总奖励:1776
发表于 2015-1-27 07:54:19 | 显示全部楼层
这个问题分4种情况,第一,系统压力不够,这个问题可以从液压站泵出口上压力表检测到,第二阀的问题,因为从你语句上讲有时可以,证明阀本身问题不大,要出问题也就是阀自带的滤芯堵了,这个问题可以重新更换一个阀或清冼滤芯解决,第三,位移传感有问题,两种可能性,a位移传感本身有问题,b位移传感器冷却不好,这两个问题可以更换传感器和检测压风得到解决,笫4个问题最关键,油缸内泄,原理图上油缸上面有根虚线,拆开油管接头检查泄漏量,正常情况只允许滴,如如成线流,那么就要更换振动单元
回复

使用道具 举报

  • 打卡等级:初来乍到
  • 打卡总天数:44
  • 打卡总奖励:323
发表于 2015-1-27 11:04:31 | 显示全部楼层
    愚见:
    “经常性的波动”,是规律性的,还是随机性的。如此区分,可滤掉一半各种可能的因素。如是规律性     
    的,可考虑调整参数,否则故障的居多。据所述,象是随机性的,初步判断是故障原因。考虑:
    1、y101、y102阀芯静态稳定性。
    2、y001阀动态阻滞的变化。
    3、油缸活塞的窜动。
回复

使用道具 举报

  • 打卡等级:伴坛终老
  • 打卡总天数:2523
  • 打卡总奖励:6355
发表于 2015-1-27 11:08:56 | 显示全部楼层
楼主 这是干什么用
回复

使用道具 举报

  • 打卡等级:偶尔看看
  • 打卡总天数:109
  • 打卡总奖励:443
发表于 2015-1-27 17:07:13 | 显示全部楼层
这个系统不复杂,阀控缸,但是,控制系统的现象与元件有关,与控制系统调试更有关
回复

使用道具 举报

您需要登录后才可以回帖 登录 | 立即注册

本版积分规则