设为首页
收藏本站
所有帖子
关于我们
联系我们
微信群
开启辅助访问
搜索
搜索
本版
用户
门户
Portal
资讯
液压资讯
观点
观点
产品
液压产品
技术
液压技术
合集
导读
Guide
下载
签到
金币
论坛
BBS
登录
立即注册
腾讯QQ
账号
自动登录
找回密码
密码
登录
立即注册
只需一步,快速开始
好友
动态
收藏
分享
帖子
日志
记录
相册
留言板
勋章
任务
道具
设置
退出
液压圈
»
论坛
›
液压系统
›
故障诊断
›
液压站系统
负载敏感资料下载
|
液压培训资料下载
|
液压样本下载
|
AMESim资料下载
|
力士乐资料下载
|
挖掘机资料下载
|
标准资料下载
|
多路阀资料下载
1
2
3
/ 3 页
下一页
返回列表
查看:
17339
|
回复:
26
液压站系统
[复制链接]
恩恩enen
恩恩enen
当前离线
积分
112
注册时间
2014-6-3
最后登录
1970-1-1
IP卡
狗仔卡
发表于 2015-1-28 19:30:34
|
显示全部楼层
|
阅读模式
本帖最后由 恩恩enen 于 2015-1-28 19:33 编辑
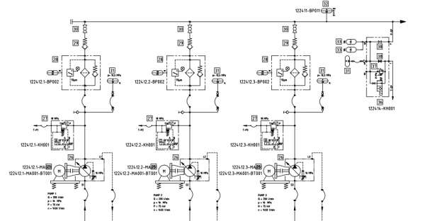
请问这个液压站的设计有什么问题吗?现在这个系统运行刚一年,已经坏了两台液压
泵
了,坏的原因貌似是泵内部元件坏的,在油口处可以看到铜沫子,泵是
力士乐
的恒压变量泵,系统压力是16Mpa
液压站系统
回复
使用道具
举报
提升卡
置顶卡
变色卡
changtongli
changtongli
当前离线
积分
528
注册时间
2014-10-14
最后登录
1970-1-1
IP卡
狗仔卡
打卡等级:偶尔看看
打卡总天数:119
打卡总奖励:453
发表于 2015-1-28 20:53:59
|
显示全部楼层
油泵吸油口与油箱远吗?油泵在油箱上面?没有回油滤?三个泵一样的?两个泵坏的现象一样?
回复
使用道具
举报
lxmxjtu
lxmxjtu
当前离线
积分
313
注册时间
2014-4-16
最后登录
1970-1-1
IP卡
狗仔卡
打卡等级:即来则安
打卡总天数:202
打卡总奖励:669
发表于 2015-1-28 21:47:44
|
显示全部楼层
我们的液压系统也是这种设计,没有什么问题
图上没有标明管径,流速设计是否合理呢
回复
使用道具
举报
magic718
magic718
当前离线
积分
31
注册时间
2014-10-23
最后登录
1970-1-1
IP卡
狗仔卡
打卡等级:无名新人
打卡总天数:1
打卡总奖励:6
发表于 2015-1-28 23:30:25
|
显示全部楼层
油泵损坏的原因很多,1、吸空,主要考虑吸油管管径设计,油泵安装位置,油泵吸油距离。油泵吸油口是否安装过滤,过滤选型是否合适,是否堵塞等等。
2、清洁度原因,液压油太脏,油泵磨损严重
力士乐的泵一般情况下不太容易坏的,看看样本吧,从吸油口多找找原因
回复
使用道具
举报
wubin2008
wubin2008
当前离线
积分
8
注册时间
2015-1-28
最后登录
1970-1-1
IP卡
狗仔卡
打卡等级:无名新人
打卡总天数:1
打卡总奖励:9
发表于 2015-1-28 23:39:48
|
显示全部楼层
好啊,不错的东西,继续上传
回复
使用道具
举报
qqqqqqwwww
qqqqqqwwww
当前离线
积分
1916
注册时间
2013-3-31
最后登录
1970-1-1
IP卡
狗仔卡
打卡等级:论坛老炮
打卡总天数:1256
打卡总奖励:1975
发表于 2015-1-29 08:11:28
|
显示全部楼层
吸空导致
回复
使用道具
举报
qqqqqqwwww
qqqqqqwwww
当前离线
积分
1916
注册时间
2013-3-31
最后登录
1970-1-1
IP卡
狗仔卡
打卡等级:论坛老炮
打卡总天数:1256
打卡总奖励:1975
发表于 2015-1-29 08:16:08
|
显示全部楼层
看油箱中有没有气泡!
回复
使用道具
举报
jerrygang
jerrygang
当前离线
积分
57
注册时间
2010-5-12
最后登录
1970-1-1
IP卡
狗仔卡
打卡等级:初来乍到
打卡总天数:41
打卡总奖励:188
发表于 2015-1-29 08:41:15
|
显示全部楼层
原理图上看不出问题,电机泵安装上会不会有问题 譬如同轴度不合适
回复
使用道具
举报
不能说
不能说
当前离线
积分
48
注册时间
2014-12-11
最后登录
1970-1-1
IP卡
狗仔卡
打卡等级:无名新人
打卡总天数:9
打卡总奖励:67
发表于 2015-1-29 09:36:59
|
显示全部楼层
你看看样本,吸油压力有没有要求,力士乐的有些泵要求入口压力8bar,你看看你的泵是否有这个要求,我们一般是用一个螺杆泵为柱塞泵供油,防止吸空。还有就是磨损的问题,油液的清洁度是否达标,液压油是否更换及时,压油过滤器的形式选择是否合适。
回复
使用道具
举报
cqzyouxiang
cqzyouxiang
当前离线
积分
661
注册时间
2014-10-20
最后登录
1970-1-1
IP卡
狗仔卡
打卡等级:初来乍到
打卡总天数:44
打卡总奖励:323
发表于 2015-1-29 10:44:11
|
显示全部楼层
我认为上面基本上说到了。与泵出油口以下关系不大。从两泵失效的共性入手,是分析的要点。即便实际情况不是这样,作为正确的分析思路,还是应该这样去分析。
回复
使用道具
举报
下一页 »
1
2
3
/ 3 页
下一页
返回列表
高级模式
B
Color
Image
Link
Quote
Code
Smilies
您需要登录后才可以回帖
登录
|
立即注册
本版积分规则
发表回复
回帖后跳转到最后一页
浏览过的版块
资料下载
液压技术
工程机械
插装阀
AMESim
供求信息
求职招聘
快速回复
返回顶部
返回列表