搜索
汉力达液压金币充值官方微信群液压资料下载
12
返回列表 发新帖
楼主: 水果事件

谁能为我讲一下此图,谢谢了

  [复制链接]
  • 打卡等级:偶尔看看
  • 打卡总天数:115
  • 打卡总奖励:811
发表于 2015-1-31 22:07:31 | 显示全部楼层
水果事件 发表于 2015-1-31 07:38
首先谢谢师傅的回答讲解,不过兄弟有一处不明白,“至于减压单元,主要是为了稳定伺服阀P口压力,采用了 ...


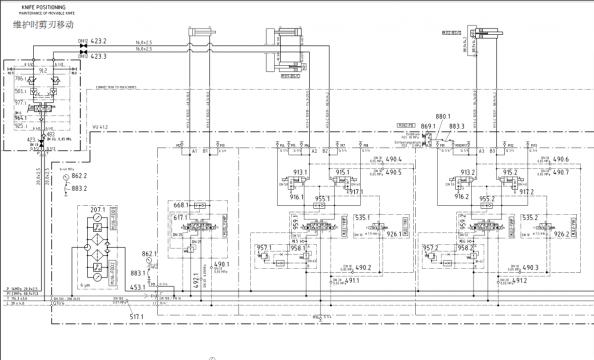
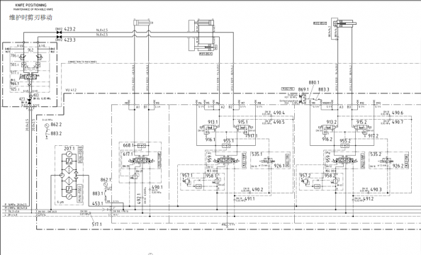
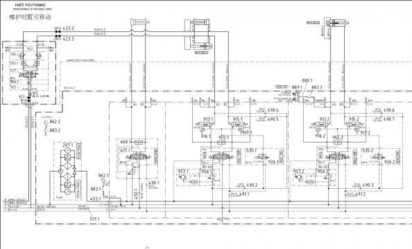
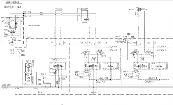
没有找到相关资料,共同学习探讨吧。从原理上分析,在中位时经由换向阀和T口相连,此时,减压阀出口压力应为阀957.2的调定压力,换向阀工作时,为了保持换向阀一定开口时的过流量不受负载变化而影响,必须保证换向阀进出口压差保持基本恒定,此时957.2的出口和液压缸压力腔相连,设负载增加,则弹簧腔压力相应增加,减压阀开口增大,减出口压力增加,从而保持换向阀进出口压差基本恒定,反之,负载减小,出口压力相应减小,换向阀压差不变则流量基本恒定,从而保正执行元件的速度稳定。
回复

使用道具 举报

  • 打卡等级:无名新人
  • 打卡总天数:1
  • 打卡总奖励:7
 楼主| 发表于 2015-2-1 10:55:54 | 显示全部楼层
anyushui00 发表于 2015-1-31 22:07
没有找到相关资料,共同学习探讨吧。从原理上分析,在中位时经由换向阀和T口相连,此时,减压阀出口压 ...

谢谢师傅的耐心讲解
回复

使用道具 举报

  • 打卡等级:以坛为家
  • 打卡总天数:776
  • 打卡总奖励:3041
发表于 2015-2-1 16:50:04 | 显示全部楼层
本帖最后由 x199 于 2015-2-1 16:51 编辑

955.2 957.2 958.2
一起组成“压差可调的”压力补偿器……
能否将完整的全图发上来,参考学习下,谢谢!
回复

使用道具 举报

  • 打卡等级:无名新人
  • 打卡总天数:1
  • 打卡总奖励:7
 楼主| 发表于 2015-2-1 17:27:48 | 显示全部楼层
x199 发表于 2015-2-1 16:50
955.2 957.2 958.2
一起组成“压差可调的”压力补偿器……
能否将完整的全图发上来,参考学习下,谢谢!
...

它是一种压块机推出缸的液压图,已经是完整的了,别的动作和这个油路不相干。
QQ图片20150201172434.png
回复

使用道具 举报

发表于 2015-2-2 10:33:44 | 显示全部楼层
anyushui00 发表于 2015-1-31 22:07
没有找到相关资料,共同学习探讨吧。从原理上分析,在中位时经由换向阀和T口相连,此时,减压阀出口压 ...

955.2,957.2和958.2三个阀组合成一个压力补偿器,这种溢流阀做补偿器先导级的结构倒是头一次见
回复

使用道具 举报

  • 打卡等级:常驻居民
  • 打卡总天数:559
  • 打卡总奖励:1804
发表于 2015-2-7 01:30:39 | 显示全部楼层
比例电液换向回路,有压力补偿器,和梭阀取压,还有液控插装阀回路。
回复

使用道具 举报

您需要登录后才可以回帖 登录 | 立即注册

本版积分规则