搜索
汉力达液压金币充值官方微信群液压资料下载
查看: 5996|回复: 3

集成阀块,请不要过度集成

  [复制链接]
  • 打卡等级:无名新人
  • 打卡总天数:1
  • 打卡总奖励:9
发表于 2015-2-4 09:17:52 | 显示全部楼层 |阅读模式
集成阀块,顾名思义,就是由一些阀集成在一起的阀块,被集成的阀可能包括板式阀、二通插装阀、螺纹插装阀等。
集成阀块可以简化机器管路、并减小泄漏。(http://www.bll-hydraulics.com/news01.html
但随着集成阀块的发展,有些地方却出现了过度集成的问题。这是对集成阀块的设计了解不够深入造成的。因此,笔者呼吁设计人员合理规划液压系统,不要过度集成。
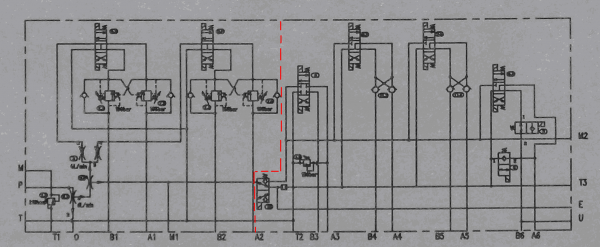
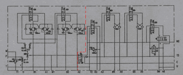
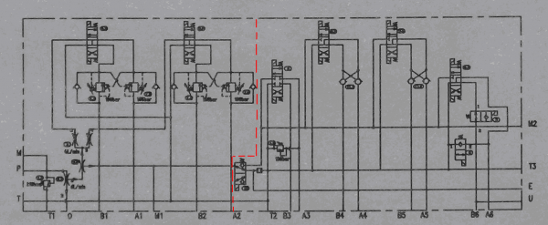
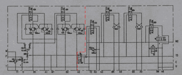
下图为某型工程设备一个液压阀块图:

原理图(左下角)进油后经历了两次优先分流,实现一分三的目的。实际上,对这种设备来说,绝大多数型号不需要一分三,一分二即可。用户在这里设计了两个分流阀,不但增加了成本,更增加了压力损失和发热。(慎用分流阀——另文详谈)
此处的问题主要是用户对分流阀性能了解不深造成的。如为了保证阀体通用,第一个分流阀不用时,建议用螺塞堵上——几乎没有压力损失。

图中有六组NG6板式电磁阀,其所控制的油缸在整机上分散布置,为了保证某些性能,过去都是分散布置,有的阀甚至安装在缸上。
这种情况下,采用大集成阀块,管路长度并没有减少。由于集成阀块内部的通道往往小于外置管路,直角弯道多,压力损失和发热增大了。
从集成阀块的设计角度来说,有时增加一个插件,阀块体积和成本将大幅度增加。
这个阀完全可以从中间管路最少的地方分开(下图),既简化了设计,降低了压力损失和成本,又降低了单块的重量,更适合安装和维修。

该阀的设计还有其他一些问题,在此不再赘述。
作者单位:徐州博力乐液压技术有限公司
电话:139521 10834
邮箱:GJG31#163.COM
QQ:12944-72871

集成阀块,请不要过度集成

集成阀块,请不要过度集成
  • 打卡等级:偶尔看看
  • 打卡总天数:112
  • 打卡总奖励:446
发表于 2015-2-7 22:47:39 | 显示全部楼层
我理解,这是设计错误啊,不是过度集成啊
回复

使用道具 举报

发表于 2015-5-20 21:12:35 | 显示全部楼层
你把第一个优先阀堵上,后面就没有油了呀。
回复

使用道具 举报

  • 打卡等级:论坛老炮
  • 打卡总天数:1430
  • 打卡总奖励:3085
发表于 2015-6-24 13:48:13 | 显示全部楼层
液压站的设计有时并不是想怎样就能怎样的
回复

使用道具 举报

您需要登录后才可以回帖 登录 | 立即注册

本版积分规则