设为首页
收藏本站
所有帖子
关于我们
联系我们
微信群
开启辅助访问
搜索
搜索
本版
用户
门户
Portal
资讯
液压资讯
观点
观点
产品
液压产品
技术
液压技术
合集
导读
Guide
下载
签到
金币
论坛
BBS
登录
立即注册
腾讯QQ
账号
自动登录
找回密码
密码
登录
立即注册
只需一步,快速开始
好友
动态
收藏
分享
帖子
日志
记录
相册
留言板
勋章
任务
道具
设置
退出
液压圈
»
论坛
›
液压系统
›
液压技术
›
Rexroth插装溢流阀型号问题
负载敏感资料下载
|
液压培训资料下载
|
液压样本下载
|
AMESim资料下载
|
力士乐资料下载
|
挖掘机资料下载
|
标准资料下载
|
多路阀资料下载
返回列表
查看:
3612
|
回复:
2
Rexroth插装溢流阀型号问题
[复制链接]
cyxz
cyxz
当前离线
积分
488
注册时间
2013-3-31
最后登录
1970-1-1
IP卡
狗仔卡
打卡等级:偶尔看看
打卡总天数:144
打卡总奖励:368
发表于 2015-2-9 18:42:05
|
显示全部楼层
|
阅读模式
本帖最后由 cyxz 于 2015-2-9 19:06 编辑
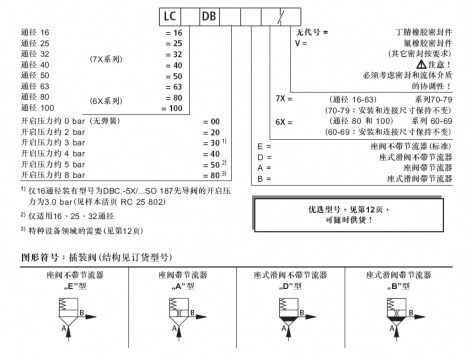
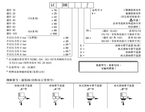
插装溢流阀选型中有LC50DB20
E
7X和LC50DB20
D
7X,就是座阀E和座式滑阀D的区别,在加工外形和性能上有何不同?谢谢!!!
Rexroth插装溢流阀型号问题
回复
使用道具
举报
提升卡
置顶卡
变色卡
卖女孩的火柴
卖女孩的火柴
当前离线
积分
1085
注册时间
2011-10-9
最后登录
1970-1-1
IP卡
狗仔卡
打卡等级:伴坛终老
打卡总天数:2555
打卡总奖励:6387
发表于 2015-2-10 11:41:46
|
显示全部楼层
请看附图
回复
使用道具
举报
405735411
405735411
当前离线
积分
129
注册时间
2014-1-19
最后登录
1970-1-1
IP卡
狗仔卡
打卡等级:偶尔看看
打卡总天数:166
打卡总奖励:296
发表于 2015-2-14 11:00:57
|
显示全部楼层
这种阀组知识内部结构的差异,外形,安装尺寸相同
- 本文出自液压圈,原文地址:
https://www.iyeya.cn/thread-24310-1-1.html
回复
使用道具
举报
返回列表
高级模式
B
Color
Image
Link
Quote
Code
Smilies
您需要登录后才可以回帖
登录
|
立即注册
本版积分规则
发表回复
回帖后跳转到最后一页
浏览过的版块
公告区
快速回复
返回顶部
返回列表