搜索
金币充值液压资料下载官方微信群
查看: 9562|回复: 10

这种单向阻尼阀哪里有卖的?

[复制链接]
  • 打卡等级:论坛老炮
  • 打卡总天数:1338
  • 打卡总奖励:3434
发表于 2015-3-9 18:00:57 | 显示全部楼层 |阅读模式
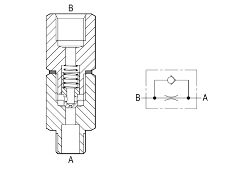
类似力士乐这种单向阻尼阀哪里有卖的,或者哪些企业做,接口螺纹是G1/4的。

这种单向阻尼阀哪里有卖的?

这种单向阻尼阀哪里有卖的?


04460300YZ.pdf (189.17 KB, 下载次数: 60, 售价: 5 金钱)



  • 打卡等级:以坛为家
  • 打卡总天数:776
  • 打卡总奖励:3041
发表于 2015-3-9 21:41:23 | 显示全部楼层
几乎所有的液压件厂都有这种阀,与力士乐同型号和,华德、立新……
回复

使用道具 举报

发表于 2015-3-9 22:11:41 | 显示全部楼层
很普通的阀,二楼正解,不贵。
回复

使用道具 举报

  • 打卡等级:偶尔看看
  • 打卡总天数:82
  • 打卡总奖励:434
发表于 2015-3-9 22:22:37 | 显示全部楼层
固定节流孔的单向节流阀。
回复

使用道具 举报

  • 打卡等级:论坛老炮
  • 打卡总天数:1338
  • 打卡总奖励:3434
 楼主| 发表于 2015-3-10 07:03:20 | 显示全部楼层
x199 发表于 2015-3-9 21:41
几乎所有的液压件厂都有这种阀,与力士乐同型号和,华德、立新……

我看华德的是G3/8的呢。没有1/4的
回复

使用道具 举报

发表于 2015-3-10 15:51:26 | 显示全部楼层
您好,我是华德液压业务员,如果你需求或者量比较大,可以详细聊聊。QQ1990776655 请注明液压圈
回复

使用道具 举报

  • 打卡等级:无名新人
  • 打卡总天数:1
  • 打卡总奖励:5
发表于 2018-5-21 16:17:54 | 显示全部楼层
我也在找这种的单向阻尼阀
回复

使用道具 举报

  • 打卡等级:无名新人
  • 打卡总天数:1
  • 打卡总奖励:1
发表于 2018-5-27 13:13:20 | 显示全部楼层
液压哥 发表于 2015-3-10 07:03
我看华德的是G3/8的呢。没有1/4的

师兄我们公司好像有这个
回复

使用道具 举报

  • 打卡等级:即来则安
  • 打卡总天数:293
  • 打卡总奖励:353
发表于 2018-5-29 13:01:58 | 显示全部楼层
Thinking11111 发表于 2018-5-27 13:13
师兄我们公司好像有这个

哪家公司,目前我都是加工一个阀体,里面在装一个阀芯。
回复

使用道具 举报

  • 打卡等级:无名新人
  • 打卡总天数:1
  • 打卡总奖励:5
发表于 2018-6-26 08:49:15 | 显示全部楼层
tesuin 发表于 2018-5-21 16:17
我也在找这种的单向阻尼阀

我有,18874057339,QQ:415819215
回复

使用道具 举报

您需要登录后才可以回帖 登录 | 立即注册

本版积分规则