设为首页
收藏本站
所有帖子
关于我们
联系我们
微信群
开启辅助访问
搜索
搜索
本版
用户
门户
Portal
资讯
液压资讯
观点
观点
产品
液压产品
技术
液压技术
合集
导读
Guide
下载
签到
金币
论坛
BBS
登录
立即注册
腾讯QQ
账号
自动登录
找回密码
密码
登录
立即注册
只需一步,快速开始
好友
动态
收藏
分享
帖子
日志
记录
相册
留言板
勋章
任务
道具
设置
退出
液压圈
»
论坛
›
液压系统
›
AMESim
›
比例节流阀仿真曲线
负载敏感资料下载
|
液压培训资料下载
|
液压样本下载
|
AMESim资料下载
|
力士乐资料下载
|
挖掘机资料下载
|
标准资料下载
|
多路阀资料下载
返回列表
查看:
5383
|
回复:
3
比例节流阀仿真曲线
[复制链接]
scx_888
scx_888
当前离线
积分
33
注册时间
2014-3-11
最后登录
1970-1-1
IP卡
狗仔卡
发表于 2015-3-16 10:44:57
|
显示全部楼层
|
阅读模式
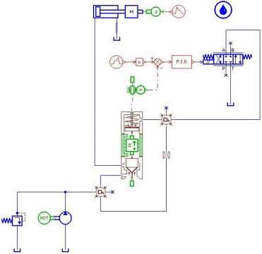
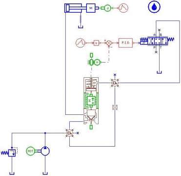
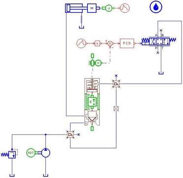
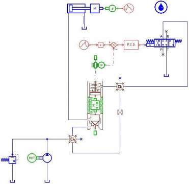
和各位请教,下面的模型是比例节流阀的模型:
比例节流阀仿真曲线
现在模型基本正确,
比例阀
最重要的曲线是电压-主阀芯位移曲线,
但是在软件中只可以得到时间-位移曲线,我可以定义变量,但在曲线
的后处理中,可以改变它的XY轴,但是曲线上的点是离散的,而且取值
都是峰值处的值,不能取稳定状态时候的值,不知各位有何建议?
谢谢大家!
节流阀
,
比例阀
,
而且
,
模型
,
软件
相关帖子
.
黄山工业泵 HSNH2900螺杆泵 模型
.
分享一款 松下伺服电机模型 型号:MSMF5AZL1C2
.
PRB 25 手动泵 模型
.
外啮合齿轮泵模型
.
HYDAC 贺德克 RFM内置回油过滤器 模型
.
博世力士乐比例放大器培训手册
.
伊顿比例放大器培训资料
.
SW管接头模型,需要的自行下载
.
HAWE 比例阀线圈 MSM GRFY060F20E 16
.
力士乐液压原理图软件
回复
使用道具
举报
提升卡
置顶卡
变色卡
醉乐清风
醉乐清风
当前离线
积分
1908
注册时间
2013-3-22
最后登录
1970-1-1
IP卡
狗仔卡
打卡等级:常驻居民
打卡总天数:365
打卡总奖励:2062
发表于 2015-3-16 10:50:02
|
显示全部楼层
楼主好,可以到处文本文件,在文本里找对应坐标轴上的值。
回复
使用道具
举报
optimusrui
optimusrui
当前离线
积分
13
注册时间
2017-3-28
最后登录
1970-1-1
IP卡
狗仔卡
发表于 2017-3-31 15:37:20
|
显示全部楼层
楼主您好 我最近写论文正在研究比例节流阀 能把您的参数发给我看看吗 谢谢了
optimusrui@gmail.com
回复
使用道具
举报
yiliya
yiliya
当前离线
积分
330
注册时间
2010-8-20
最后登录
1970-1-1
IP卡
狗仔卡
发表于 2017-3-31 18:28:33
|
显示全部楼层
数据点多吗? 你可以手动取点,在excel 里面来处理
回复
使用道具
举报
返回列表
高级模式
B
Color
Image
Link
Quote
Code
Smilies
您需要登录后才可以回帖
登录
|
立即注册
本版积分规则
发表回复
回帖后跳转到最后一页
浏览过的版块
液压技术
液压辅件
快速回复
返回顶部
返回列表