搜索
汉力达液压金币充值官方微信群液压资料下载
查看: 5678|回复: 7

五位六阀和三位流通阀模型怎么建,求思路,求指导。急求。。

[复制链接]
  • 打卡等级:无名新人
  • 打卡总天数:1
  • 打卡总奖励:10
发表于 2015-4-3 21:26:38 | 显示全部楼层 |阅读模式
请大神多多指导,。。。可加qq1300671943,,我在线等啊

五位六阀和三位流通阀模型怎么建,求思路,求指导。急求。。

五位六阀和三位流通阀模型怎么建,求思路,求指导。急求。。

五位六阀和三位流通阀模型怎么建,求思路,求指导。急求。。

五位六阀和三位流通阀模型怎么建,求思路,求指导。急求。。
  • 打卡等级:偶尔看看
  • 打卡总天数:69
  • 打卡总奖励:515
发表于 2015-4-6 11:05:27 | 显示全部楼层
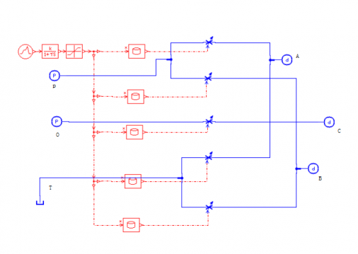
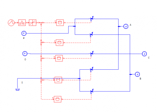
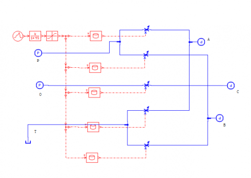
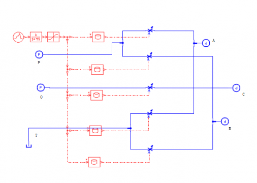
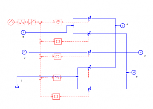
你可以参考下这两个图
3_8valve.jpg
3_6valve.jpg
回复

使用道具 举报

  • 打卡等级:无名新人
  • 打卡总天数:1
  • 打卡总奖励:10
 楼主| 发表于 2015-4-6 12:39:43 | 显示全部楼层
FPTC 发表于 2015-4-6 11:05
你可以参考下这两个图

多谢多谢,以后液压这方面的问题就要多向你请教请教了

回复

使用道具 举报

  • 打卡等级:常驻居民
  • 打卡总天数:365
  • 打卡总奖励:2062
发表于 2015-4-6 12:40:21 | 显示全部楼层
建模思路的话,可以按照demo的四通阀来理解,要根据结构模型和原理图来做hcd模型。然后,考虑建立系统级模型还是元件级模型,建模概念理解好。
回复

使用道具 举报

  • 打卡等级:无名新人
  • 打卡总天数:1
  • 打卡总奖励:10
 楼主| 发表于 2015-4-6 12:49:06 | 显示全部楼层
醉乐清风 发表于 2015-4-6 12:40
建模思路的话,可以按照demo的四通阀来理解,要根据结构模型和原理图来做hcd模型。然后,考虑建立系统级模 ...

恩恩,谢谢,楼上是基于hcd建模,还有hyd型,两种方法差别不大吧
3802Y4$~U8L61J7IY`J9)_P.png

点评

hcd称为精细化建模,属于元件级,考虑的问题较多、较细;hy称为系统级建模,考虑输入/输出特性与真实值匹配即可。当然,这个术语官方没有给出。还有混合建模的案例,例如一台泵,如果只研究变量机构的话,那么变量部  详情 回复 发表于 2015-4-6 12:55
回复

使用道具 举报

  • 打卡等级:常驻居民
  • 打卡总天数:365
  • 打卡总奖励:2062
发表于 2015-4-6 12:55:08 | 显示全部楼层
qwe1300671 发表于 2015-4-6 12:49
恩恩,谢谢,楼上是基于hcd建模,还有hyd型,两种方法差别不大吧

hcd称为精细化建模,属于元件级,考虑的问题较多、较细;hy称为系统级建模,考虑输入/输出特性与真实值匹配即可。当然,这个术语官方没有给出。还有混合建模的案例,例如一台泵,如果只研究变量机构的话,那么变量部分就要用精细化建模,也就是hcd建立微分代数方程了,泵部分完全可以用hy库中的定量/变量泵来简化。
回复

使用道具 举报

  • 打卡等级:无名新人
  • 打卡总天数:1
  • 打卡总奖励:10
 楼主| 发表于 2015-4-7 15:13:02 | 显示全部楼层
醉乐清风 发表于 2015-4-6 12:55
hcd称为精细化建模,属于元件级,考虑的问题较多、较细;hy称为系统级建模,考虑输入/输出特性与真实值匹 ...

恩恩,多谢,受教了
回复

使用道具 举报

发表于 2015-4-10 12:58:39 | 显示全部楼层
这个我以前搞过,可惜我已经好几年没搞这个仿真了,人老了,精力没了
回复

使用道具 举报

您需要登录后才可以回帖 登录 | 立即注册

本版积分规则