搜索
汉力达液压金币充值官方微信群液压资料下载
查看: 4621|回复: 5

此泵站原理图中的泵是什么控制方式

[复制链接]
  • 打卡等级:无名新人
  • 打卡总天数:9
  • 打卡总奖励:72
发表于 2015-4-10 19:33:04 | 显示全部楼层 |阅读模式
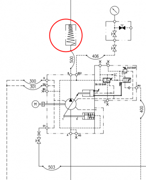
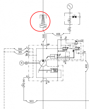
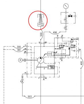
1、请教此是什么泵控方式?下面的电磁阀有什么作用?具体能给个厂家最好。
2、见整个图,位置1所圈的是什么阀,啥子作用?
3、位置2、3所圈的插装阀是什么作用?为什么不用单向阀呢?
希望高手能多多指点!!

此泵站原理图中的泵是什么控制方式

此泵站原理图中的泵是什么控制方式

泵站原理图.pdf

122.24 KB, 下载次数: 45

售价: 5 金钱  [记录]

此泵站原理图中的泵是什么控制方式

  • 打卡等级:偶尔看看
  • 打卡总天数:140
  • 打卡总奖励:708
发表于 2015-4-10 19:44:36 | 显示全部楼层
从原理图看的话应该是液控型的变量泵
回复

使用道具 举报

  • 打卡等级:即来则安
  • 打卡总天数:250
  • 打卡总奖励:1426
发表于 2015-4-10 20:04:16 | 显示全部楼层
圈的是压力消波器,减少压力脉动的
回复

使用道具 举报

  • 打卡等级:无名新人
  • 打卡总天数:25
  • 打卡总奖励:199
发表于 2015-4-10 21:44:31 | 显示全部楼层
1、使用力士乐A4VSO的DP泵可以满足功能,电磁阀用于根据系统用油量确定投入泵的数量
2、泵出口是减少出口压力脉冲和噪音的减震器
3、序号2的作用是旁通,避免高压过滤器堵塞压溃,序号3提供回油被压;如你所说就是个单向阀,考虑到系统流量和压力设定所以系统使用了插装阀
吐槽下:提问问题能否不要大家消耗各自的血汗下图纸呀!
回复

使用道具 举报

  • 打卡等级:无名新人
  • 打卡总天数:9
  • 打卡总奖励:72
 楼主| 发表于 2015-4-11 15:02:10 | 显示全部楼层
wuzhong 发表于 2015-4-10 21:44
1、使用力士乐A4VSO的DP泵可以满足功能,电磁阀用于根据系统用油量确定投入泵的数量
2、泵出口是减少出口 ...

不好意思,因为整个图截屏为照片,看不大清楚,所以传了个pdf!感谢高手指教!
回复

使用道具 举报

  • 打卡等级:无名新人
  • 打卡总天数:25
  • 打卡总奖励:199
发表于 2015-4-11 22:01:34 | 显示全部楼层
lazy 发表于 2015-4-11 15:02
不好意思,因为整个图截屏为照片,看不大清楚,所以传了个pdf!感谢高手指教!

一起学习
回复

使用道具 举报

您需要登录后才可以回帖 登录 | 立即注册

本版积分规则