搜索
汉力达液压金币充值官方微信群液压资料下载
查看: 3358|回复: 6

AMESim对活塞杆施加力情况下的反馈问题

[复制链接]
发表于 2015-4-14 09:43:35 | 显示全部楼层 |阅读模式
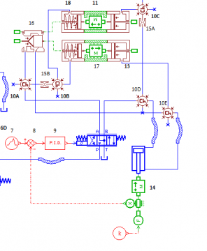
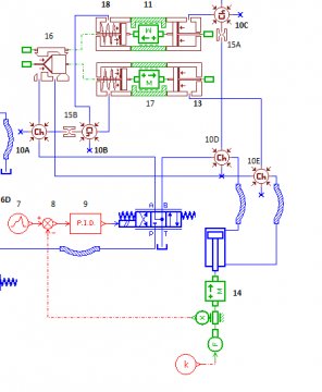
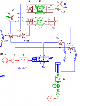
如图,对活塞杆施加了一个8000N左右的力之后,反馈就一直上不上去,不加这个力反馈挺好的。但实际问题是有这个力的,请问有什么办法可以保证在有力的情况下实际信号还能准确的按反馈的曲线走?请大家不吝赐教!

AMESim对活塞杆施加力情况下的反馈问题

AMESim对活塞杆施加力情况下的反馈问题
发表于 2015-4-14 10:13:13 | 显示全部楼层
选中位O机能的伺服阀
回复

使用道具 举报

  • 打卡等级:初来乍到
  • 打卡总天数:39
  • 打卡总奖励:261
发表于 2015-4-14 10:41:27 | 显示全部楼层
PID调节怎么没有加限位控制,因为伺服阀对电流大小有要求。
回复

使用道具 举报

 楼主| 发表于 2015-4-14 10:43:14 | 显示全部楼层
ysuzhangwei 发表于 2015-4-14 10:13
选中位O机能的伺服阀

但这里上面是加的平衡阀,要选Y型的啊
QQ截图20150414104519.png
回复

使用道具 举报

 楼主| 发表于 2015-4-14 10:45:37 | 显示全部楼层
ximenchuixue 发表于 2015-4-14 10:41
PID调节怎么没有加限位控制,因为伺服阀对电流大小有要求。

你说的是PID的输出吗?都没超过40唉
QQ截图20150414104736.png
回复

使用道具 举报

发表于 2015-4-14 16:23:08 | 显示全部楼层
你把文件发给我,我给你调。16808603@qq.com
回复

使用道具 举报

 楼主| 发表于 2015-4-15 22:08:24 | 显示全部楼层
ysuzhangwei 发表于 2015-4-14 16:23
你把文件发给我,我给你调。

邮件已发!谢谢了!
回复

使用道具 举报

您需要登录后才可以回帖 登录 | 立即注册

本版积分规则