设为首页
收藏本站
所有帖子
关于我们
联系我们
微信群
开启辅助访问
搜索
搜索
本版
用户
门户
Portal
资讯
液压资讯
观点
观点
产品
液压产品
技术
液压技术
合集
导读
Guide
下载
签到
金币
论坛
BBS
登录
立即注册
腾讯QQ
账号
自动登录
找回密码
密码
登录
立即注册
只需一步,快速开始
好友
动态
收藏
分享
帖子
日志
记录
相册
留言板
勋章
任务
道具
设置
退出
液压圈
»
论坛
›
液压元件
›
液压辅件
›
新手求助,求各位液压大师帮小弟解决难题 ...
负载敏感资料下载
|
液压培训资料下载
|
液压样本下载
|
AMESim资料下载
|
力士乐资料下载
|
挖掘机资料下载
|
标准资料下载
|
多路阀资料下载
返回列表
查看:
4236
|
回复:
0
新手求助,求各位液压大师帮小弟解决难题
[复制链接]
龙天下
龙天下
当前离线
积分
7
注册时间
2015-4-29
最后登录
1970-1-1
IP卡
狗仔卡
发表于 2015-4-29 13:51:04
|
显示全部楼层
|
阅读模式
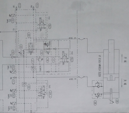
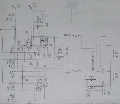
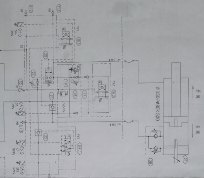
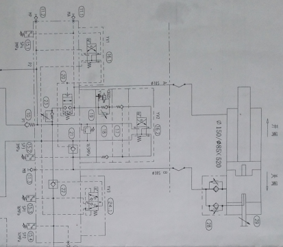
求助各位大师!这是一张液压蝶阀液压原理图,图上所说的
油缸
活塞杆快速伸出、伸出和缩回我都能理解。但系统上所说的油缸活塞杆快速缩回的功能可以实现么?
快速伸出和缩回功能是靠电磁阀4实现的吧!快速缩回时,电磁阀4打开有什么作用么?
电磁阀
,
蝶阀
新手求助,求各位液压大师帮小弟解决难题
电磁阀4局部
相关帖子
.
请问有没有大佬指导小弟怎么在AMESIM做电磁阀仿真
.
液压数字阀
.
电磁阀颤振如何标定?
.
插式电磁方向阀CSV-02-01
.
意大利ATOS液压全系列产品!!有需要的咨询我!咱现货多。
.
求购二位四通球型换向阀
.
谁知道这是电磁阀上的什么配件
.
溢流阀、泄压阀、电磁阀、平衡阀。。。客官要哪个?
.
求购电磁阀插头
.
有没有好一点电磁阀插头
回复
使用道具
举报
提升卡
置顶卡
变色卡
返回列表
高级模式
B
Color
Image
Link
Quote
Code
Smilies
您需要登录后才可以回帖
登录
|
立即注册
本版积分规则
发表回复
回帖后跳转到最后一页
浏览过的版块
液压技术
快速回复
返回顶部
返回列表