搜索
汉力达液压金币充值官方微信群液压资料下载
查看: 3973|回复: 4

比例伺服阀仿真

[复制链接]
  • 打卡等级:无名新人
  • 打卡总天数:7
  • 打卡总奖励:50
发表于 2015-5-1 18:59:33 | 显示全部楼层 |阅读模式
请教各路大神,如何在AMESim中建立三位四通比例伺服阀的模型,万分感谢!!
  • 打卡等级:常驻居民
  • 打卡总天数:365
  • 打卡总奖励:2062
发表于 2015-5-3 14:51:11 | 显示全部楼层
我建议楼主先看看论坛上的建模思路分析的帖子,看看amesim帮助文档再做提问,这个问题太大了,比天空还大,无法针对性回答呢!
回复

使用道具 举报

  • 打卡等级:无名新人
  • 打卡总天数:7
  • 打卡总奖励:50
 楼主| 发表于 2015-5-4 20:14:41 | 显示全部楼层
本帖最后由 yuyhfut 于 2015-5-4 20:16 编辑
醉乐清风 发表于 2015-5-3 14:51
我建议楼主先看看论坛上的建模思路分析的帖子,看看amesim帮助文档再做提问,这个问题太大了,比天空还大, ...

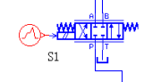
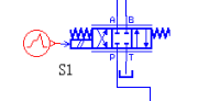
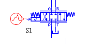
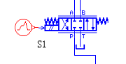
您好,我现在急着做毕设,需要用比例伺服阀的模型,您有建好的模型供参考吗?请问我可以用下面的模型做比例阀用吗?
QQ拼音截图未命名.png

点评

可以的,要求不高的话,可以应付一下  详情 回复 发表于 2015-5-4 20:16
回复

使用道具 举报

  • 打卡等级:常驻居民
  • 打卡总天数:365
  • 打卡总奖励:2062
发表于 2015-5-4 20:16:20 | 显示全部楼层
yuyhfut 发表于 2015-5-4 20:14
您好,我现在急着做毕设,需要用比例伺服阀的模型,您有建好的模型供参考吗?请问我可以用下面的莫星座比 ...

可以的,要求不高的话,可以应付一下
回复

使用道具 举报

  • 打卡等级:无名新人
  • 打卡总天数:7
  • 打卡总奖励:50
 楼主| 发表于 2015-5-5 09:39:15 | 显示全部楼层
醉乐清风 发表于 2015-5-4 20:16
可以的,要求不高的话,可以应付一下

非常感谢
回复

使用道具 举报

您需要登录后才可以回帖 登录 | 立即注册

本版积分规则