搜索
汉力达液压金币充值官方微信群液压资料下载
查看: 5582|回复: 9

大神帮忙分析一下这个系统

[复制链接]
  • 打卡等级:伴坛终老
  • 打卡总天数:1605
  • 打卡总奖励:4980
发表于 2015-5-8 14:59:40 | 显示全部楼层 |阅读模式
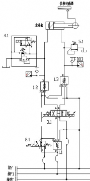
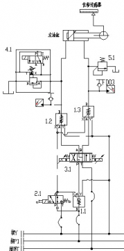
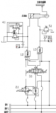
帮忙分析一下这个系统

大神帮忙分析一下这个系统

大神帮忙分析一下这个系统
  • 打卡等级:偶尔看看
  • 打卡总天数:99
  • 打卡总奖励:105
发表于 2015-5-8 16:39:50 | 显示全部楼层
想知道啥
回复

使用道具 举报

  • 打卡等级:伴坛终老
  • 打卡总天数:1605
  • 打卡总奖励:4980
 楼主| 发表于 2015-5-8 16:58:34 | 显示全部楼层
﹏3、哖后° 发表于 2015-5-8 16:39
想知道啥

单向阀,电磁溢流阀,溢流阀各起什么作用!单向阀是怎么控制的?谢谢
回复

使用道具 举报

  • 打卡等级:无名新人
  • 打卡总天数:16
  • 打卡总奖励:109
发表于 2015-5-8 17:24:01 | 显示全部楼层
百度能百度到的
回复

使用道具 举报

  • 打卡等级:伴坛终老
  • 打卡总天数:3524
  • 打卡总奖励:9728
发表于 2015-5-8 18:19:32 | 显示全部楼层
工况不说明怎么分析?这也太粗糙了吧?!
回复

使用道具 举报

  • 打卡等级:伴坛终老
  • 打卡总天数:1605
  • 打卡总奖励:4980
 楼主| 发表于 2015-5-8 18:51:47 | 显示全部楼层
spinning1976 发表于 2015-5-8 18:19
工况不说明怎么分析?这也太粗糙了吧?!

右边还有一个缸和这个是对称的!简单说要让这两个缸按照设定的速度一个先动一个后动
回复

使用道具 举报

  • 打卡等级:即来则安
  • 打卡总天数:204
  • 打卡总奖励:1166
发表于 2015-5-8 19:44:13 | 显示全部楼层
常态下,油缸锁死,起泵后P1打开1.1、1.2、1.3至3.1的P口,3.1换向后实现动作,压力达到设定值后切换2.1,关闭1.1实现依次动作
回复

使用道具 举报

  • 打卡等级:伴坛终老
  • 打卡总天数:1605
  • 打卡总奖励:4980
 楼主| 发表于 2015-5-8 20:10:37 | 显示全部楼层
Collin 发表于 2015-5-8 19:44
常态下,油缸锁死,起泵后P1打开1.1、1.2、1.3至3.1的P口,3.1换向后实现动作,压力达到设定值后切换2.1, ...

你好,可以加你qq请教一下么?
回复

使用道具 举报

  • 打卡等级:即来则安
  • 打卡总天数:204
  • 打卡总奖励:1166
发表于 2015-5-8 22:29:04 | 显示全部楼层
GYX 发表于 2015-5-8 20:10
你好,可以加你qq请教一下么?

1799697965
回复

使用道具 举报

  • 打卡等级:偶尔看看
  • 打卡总天数:140
  • 打卡总奖励:708
发表于 2015-6-21 20:15:55 | 显示全部楼层
2.1的作用是什么
回复

使用道具 举报

您需要登录后才可以回帖 登录 | 立即注册

本版积分规则