设为首页
收藏本站
所有帖子
关于我们
联系我们
微信群
开启辅助访问
搜索
搜索
本版
用户
门户
Portal
资讯
液压资讯
观点
观点
产品
液压产品
技术
液压技术
合集
导读
Guide
下载
签到
金币
论坛
BBS
登录
立即注册
腾讯QQ
账号
自动登录
找回密码
密码
登录
立即注册
只需一步,快速开始
好友
动态
收藏
分享
帖子
日志
记录
相册
留言板
勋章
任务
道具
设置
退出
液压圈
»
论坛
›
液压元件
›
液压辅件
›
液压接头 旋转 铰接
负载敏感资料下载
|
液压培训资料下载
|
液压样本下载
|
AMESim资料下载
|
力士乐资料下载
|
挖掘机资料下载
|
标准资料下载
|
多路阀资料下载
返回列表
查看:
6068
|
回复:
6
液压接头 旋转 铰接
[复制链接]
液压工兵
液压工兵
当前离线
积分
347
注册时间
2011-6-16
最后登录
1970-1-1
IP卡
狗仔卡
打卡等级:无名新人
打卡总天数:3
打卡总奖励:4
发表于 2015-5-12 13:46:16
|
显示全部楼层
|
阅读模式
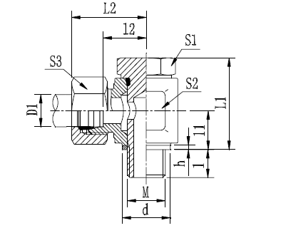
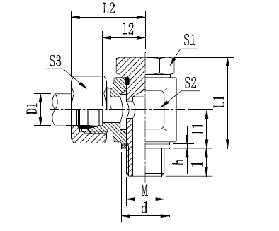
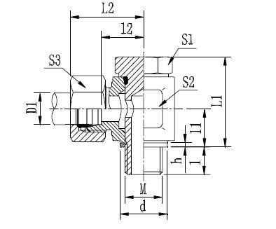
附图中是什么接头?看着有点像铰接接头,但是铰接接头能来回旋转吗?
液压接头
液压接头 旋转 铰接
相关帖子
.
几款常用液压接头
.
各类液压接头拧紧力矩
.
派克Parker液压接头,软管接头,硬管接头,快速接头
.
高低压软管总成,液压接头,液压泵站,液压阀,液压泵等
.
伊顿液压接头样本
.
高手们:请问液压接头中DKO、JIC、OFS标准各指什么??
.
天津福乐尔科技发展有限公司
.
福士VOSS液压接头产品电子样册
.
哪里可以定做M7X1的液压接头!---急求
.
美制JIC液压接头老是渗油
回复
使用道具
举报
提升卡
置顶卡
变色卡
液压工兵
液压工兵
当前离线
积分
347
注册时间
2011-6-16
最后登录
1970-1-1
IP卡
狗仔卡
打卡等级:无名新人
打卡总天数:3
打卡总奖励:4
楼主
|
发表于 2015-5-12 15:07:20
|
显示全部楼层
这种接头
回复
使用道具
举报
cqzyouxiang
cqzyouxiang
当前离线
积分
661
注册时间
2014-10-20
最后登录
1970-1-1
IP卡
狗仔卡
打卡等级:初来乍到
打卡总天数:44
打卡总奖励:323
发表于 2015-5-12 15:33:11
|
显示全部楼层
像旋转接头,叫铰接式未尝不可。
回复
使用道具
举报
﹏3、哖后°
﹏3、哖后°
当前离线
积分
712
注册时间
2011-7-19
最后登录
1970-1-1
IP卡
狗仔卡
打卡等级:偶尔看看
打卡总天数:99
打卡总奖励:105
发表于 2015-5-12 15:33:13
|
显示全部楼层
靠这什么接头
回复
使用道具
举报
cqzyouxiang
cqzyouxiang
当前离线
积分
661
注册时间
2014-10-20
最后登录
1970-1-1
IP卡
狗仔卡
打卡等级:初来乍到
打卡总天数:44
打卡总奖励:323
发表于 2015-5-12 15:43:24
|
显示全部楼层
有可回转的。不知耐压真么样,可靠性如何。
回复
使用道具
举报
xiao70ni8
xiao70ni8
当前离线
积分
190
注册时间
2012-8-23
最后登录
1970-1-1
IP卡
狗仔卡
打卡等级:偶尔看看
打卡总天数:61
打卡总奖励:386
发表于 2015-5-12 16:23:41
|
显示全部楼层
像铰接式接头,由于其安装距相较普通组合接头有优势,常用于安装距离不富裕的位置
此处要注意一个区分:铰接式接头和旋转接头。
铰接式接头在安装时虽然也可调向,但是安装完成之后一般是固定不动的 ,而旋转接头在使用过程中是可以绕轴心旋转,二者叫法不同,用处也不一样。
回复
使用道具
举报
液压工兵
液压工兵
当前离线
积分
347
注册时间
2011-6-16
最后登录
1970-1-1
IP卡
狗仔卡
打卡等级:无名新人
打卡总天数:3
打卡总奖励:4
楼主
|
发表于 2015-5-12 17:21:50
|
显示全部楼层
找到点资料,和大家分享一下
我此处的接头并不是铰接接头,而是低速旋转接头,一般铰接接头如附图,有一个六角S1拧紧的,而低速旋转接头,如图,是没有这个拧紧六角的
回复
使用道具
举报
返回列表
高级模式
B
Color
Image
Link
Quote
Code
Smilies
您需要登录后才可以回帖
登录
|
立即注册
本版积分规则
发表回复
回帖后跳转到最后一页
浏览过的版块
资料下载
AMESim
伺服控制
快速回复
返回顶部
返回列表