搜索
金币充值液压资料下载官方微信群
查看: 6033|回复: 6

这两个电磁阀在AMESim中用什么表示?小白求教

[复制链接]
  • 打卡等级:无名新人
  • 打卡总天数:2
  • 打卡总奖励:15
发表于 2015-5-14 11:58:45 | 显示全部楼层 |阅读模式
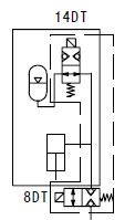
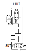
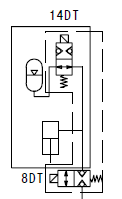
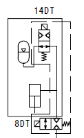
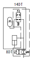
如图求各位大神帮助。。。

这两个电磁阀在AMESim中用什么表示?小白求教

这两个电磁阀在AMESim中用什么表示?小白求教

这两个电磁阀在AMESim中用什么表示?小白求教

这两个电磁阀在AMESim中用什么表示?小白求教
  • 打卡等级:常驻居民
  • 打卡总天数:365
  • 打卡总奖励:2062
发表于 2015-5-15 08:59:50 | 显示全部楼层
这是什么阀?没有结构图,建立不了精细模型
回复

使用道具 举报

发表于 2015-5-15 11:16:06 | 显示全部楼层
这两个都是二位二通电磁阀吧!第一个是电磁阀得电后,两边油路不接通;第二个是电磁阀得电后,两边油路接通。
回答不一定准确。呵呵
回复

使用道具 举报

发表于 2015-5-15 14:58:45 | 显示全部楼层
电磁球阀

没有泄露的换向阀,除此之外在建模上没啥特殊
回复

使用道具 举报

  • 打卡等级:无名新人
  • 打卡总天数:2
  • 打卡总奖励:15
 楼主| 发表于 2015-5-16 15:14:55 | 显示全部楼层
alexzc231 发表于 2015-5-15 14:58
电磁球阀

没有泄露的换向阀,除此之外在建模上没啥特殊

谢谢!再请问一下,AMESim中压力传感器用什么表示呢?
回复

使用道具 举报

  • 打卡等级:无名新人
  • 打卡总天数:2
  • 打卡总奖励:15
 楼主| 发表于 2015-5-16 15:23:31 | 显示全部楼层
醉乐清风 发表于 2015-5-15 08:59
这是什么阀?没有结构图,建立不了精细模型

就是这一部分,求大神解答
QQ截图20150516152718.png
回复

使用道具 举报

  • 打卡等级:无名新人
  • 打卡总天数:2
  • 打卡总奖励:15
 楼主| 发表于 2015-5-16 15:24:05 | 显示全部楼层
龙天下 发表于 2015-5-15 11:16
这两个都是二位二通电磁阀吧!第一个是电磁阀得电后,两边油路不接通;第二个是电磁阀得电后,两边油路接通 ...

对的对的,谢谢解答
回复

使用道具 举报

您需要登录后才可以回帖 登录 | 立即注册

本版积分规则