搜索
汉力达液压金币充值官方微信群液压资料下载
查看: 5761|回复: 9

求教大神,原理图的各回路

[复制链接]
发表于 2015-5-22 20:43:48 | 显示全部楼层 |阅读模式
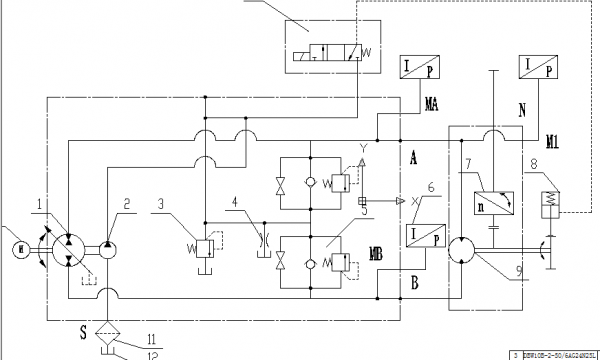
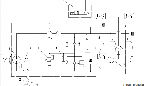
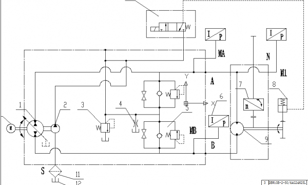
求教,原理图的各回路怎么走,小白无从下手{:9_221:}

原理图

原理图
  • 打卡等级:初来乍到
  • 打卡总天数:30
  • 打卡总奖励:74
发表于 2015-5-22 23:08:28 | 显示全部楼层
闭式液压系统介绍及使用
https://www.iyeya.cn/forum.php?mod=viewthread&tid=24011
(出处: 液压圈)
回复

使用道具 举报

发表于 2015-5-23 18:36:30 | 显示全部楼层
好像你这个原理图画的有问题?边框线怎么跟油路连在一起了?还是本来就是油路不是边框线啊?
回复

使用道具 举报

  • 打卡等级:初来乍到
  • 打卡总天数:32
  • 打卡总奖励:193
发表于 2015-5-23 21:49:06 | 显示全部楼层
感觉没有冲洗回路吧
回复

使用道具 举报

  • 打卡等级:初来乍到
  • 打卡总天数:32
  • 打卡总奖励:193
发表于 2015-5-23 21:49:16 | 显示全部楼层
感觉没有冲洗回路吧
回复

使用道具 举报

  • 打卡等级:无名新人
  • 打卡总天数:5
  • 打卡总奖励:21
发表于 2015-5-25 13:06:27 | 显示全部楼层
这个是闭式液压泵+单马达(带液压释放),这个系统很简单呀,小压路机上用得很多的。
回复

使用道具 举报

  • 打卡等级:无名新人
  • 打卡总天数:5
  • 打卡总奖励:21
发表于 2015-5-25 13:40:29 | 显示全部楼层
闭式泵1主要给液压马达9供油,补油泵2通过单向阀向闭式泵补油,同时补油泵2通过电磁换向阀给马达释放装置8供油,马达就可以旋转了,图中3是补油泵压力的设定(一般压力在:10-35bar之间),每个闭式泵补油压力设定好了的,不要轻易调节压力,图中4节流孔压力略高于右边的两个单向阀,用于闭式泵中位时(不工作时)泄油,和补油缓冲。
回复

使用道具 举报

发表于 2015-5-25 15:00:09 | 显示全部楼层
大泵驱动马达
小泵用于制动器和闭式回路补油

很简单的回路了
回复

使用道具 举报

发表于 2015-5-25 15:01:19 | 显示全部楼层
fxf870205 发表于 2015-5-23 18:36
好像你这个原理图画的有问题?边框线怎么跟油路连在一起了?还是本来就是油路不是边框线啊?

有的人喜欢用边框线表示一个组件或者阀块,油路和框线连一起表示阀块上的油口。
回复

使用道具 举报

  • 打卡等级:初来乍到
  • 打卡总天数:32
  • 打卡总奖励:234
发表于 2015-5-28 10:47:12 | 显示全部楼层
建议楼主先学元件符号,先入门,之后这种简单的基本回路就没问题了。这次你采纳7楼的就行了
回复

使用道具 举报

您需要登录后才可以回帖 登录 | 立即注册

本版积分规则