设为首页
收藏本站
所有帖子
关于我们
联系我们
微信群
开启辅助访问
搜索
搜索
本版
用户
门户
Portal
资讯
液压资讯
观点
观点
产品
液压产品
技术
液压技术
合集
导读
Guide
下载
签到
金币
论坛
BBS
登录
立即注册
腾讯QQ
账号
自动登录
找回密码
密码
登录
立即注册
只需一步,快速开始
好友
动态
收藏
分享
帖子
日志
记录
相册
留言板
勋章
任务
道具
设置
退出
液压圈
»
论坛
›
液压系统
›
AMESim
›
求助:线性弹簧子模型如何设置自由长度和当前的长度 ...
负载敏感资料下载
|
液压培训资料下载
|
液压样本下载
|
AMESim资料下载
|
力士乐资料下载
|
挖掘机资料下载
|
标准资料下载
|
多路阀资料下载
返回列表
查看:
4223
|
回复:
2
求助:线性弹簧子模型如何设置自由长度和当前的长度
[复制链接]
六楼B座
六楼B座
当前离线
积分
42
注册时间
2015-5-14
最后登录
1970-1-1
IP卡
狗仔卡
发表于 2015-5-28 12:56:04
|
显示全部楼层
|
阅读模式
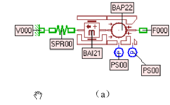
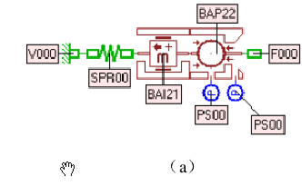
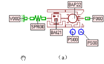
想按照教程做上面的例子,可为什么线性瘫痪的子模型里没有长度的设置呢?求大神答疑解惑
模型
,
如何
求助:线性弹簧子模型如何设置自由长度和当前的长度
求助:线性弹簧子模型如何设置自由长度和当前的长度
求助:线性弹簧子模型如何设置自由长度和当前的长度
相关帖子
.
黄山工业泵 HSNH2900螺杆泵 模型
.
分享一款 松下伺服电机模型 型号:MSMF5AZL1C2
.
PRB 25 手动泵 模型
.
外啮合齿轮泵模型
.
HYDAC 贺德克 RFM内置回油过滤器 模型
.
SW管接头模型,需要的自行下载
.
请教关于哈威LHT系列平衡阀开启压力如何计算?
.
急求!!AMESim中deadvolume参数如何设置?
.
请教关于AMESIM液压建模问题
.
AMESim中如何通过改变电流控制电磁线圈以及电磁铁带动活塞运动
回复
使用道具
举报
提升卡
置顶卡
变色卡
醉乐清风
醉乐清风
当前离线
积分
1908
注册时间
2013-3-22
最后登录
1970-1-1
IP卡
狗仔卡
打卡等级:常驻居民
打卡总天数:365
打卡总奖励:2062
发表于 2015-5-28 20:23:28
|
显示全部楼层
将弹簧子模型换成SPR00A,这些一般是要根据不同子模型来设置的
回复
使用道具
举报
六楼B座
六楼B座
当前离线
积分
42
注册时间
2015-5-14
最后登录
1970-1-1
IP卡
狗仔卡
楼主
|
发表于 2015-6-1 15:11:52
|
显示全部楼层
谢谢……是可以直接设置预载荷就行了
回复
使用道具
举报
返回列表
高级模式
B
Color
Image
Link
Quote
Code
Smilies
您需要登录后才可以回帖
登录
|
立即注册
本版积分规则
发表回复
回帖后跳转到最后一页
浏览过的版块
液压技术
快速回复
返回顶部
返回列表