搜索
金币充值液压资料下载官方微信群
查看: 14988|回复: 8

关于川崎K3V112泵改制问题

[复制链接]
  • 打卡等级:初来乍到
  • 打卡总天数:33
  • 打卡总奖励:131
发表于 2015-6-3 14:00:29 | 显示全部楼层 |阅读模式
本帖最后由 clay2008 于 2015-6-3 17:07 编辑

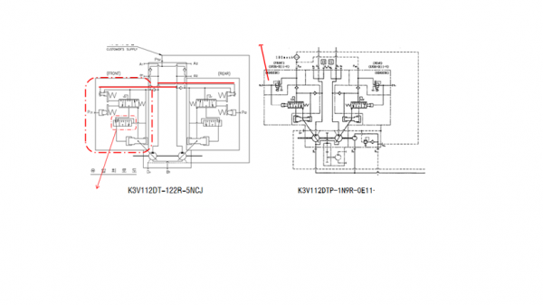
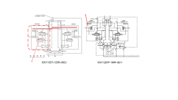
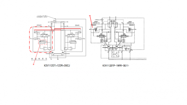
大家好。我想把K3V112负流量全功率控制改制为K3V112全功率正流量电控泵,是否只需要更换调节器即可?两泵体与调节器匹配油道是否一致或存在哪些差异?非常期待各位的解答,谢谢!

关于川崎K3V112泵改制问题

关于川崎K3V112泵改制问题
发表于 2015-6-3 15:08:48 | 显示全部楼层
负流量控制是为了减少主控制阀在中位时泵的流量,使泵的流量能够按照司机的操作,按需求提供,从而改善调速性能,避免无用的能耗。由于随着控制压力增加,泵输出流量减小,故称为负流量控制。泵输出流量是随着控制压力的增加而减小的,而控制压力是由司机操纵阀口来决定的,所以你需要知道以上的控制思路才能正确改装。
回复

使用道具 举报

  • 打卡等级:初来乍到
  • 打卡总天数:33
  • 打卡总奖励:131
 楼主| 发表于 2015-6-3 16:21:18 | 显示全部楼层
谢谢亲的回复。目前暂不考虑主机控制,主要是要将K3V112DT-5N泵改为K3V112DT-0E,需要做哪些变化?除了更换调节器,泵体是否需要考虑油道的改变?(根据主泵液压原理图,油道肯定是有改变的,但考虑川崎泵的通用性泵体应该相同?(因为没有电控正流量泵实物对比,所以不知是否能改装)
回复

使用道具 举报

  • 打卡等级:初来乍到
  • 打卡总天数:33
  • 打卡总奖励:131
 楼主| 发表于 2015-6-3 16:32:38 | 显示全部楼层
C:\xiongxw\泰乐液压\图片\改制照片
回复

使用道具 举报

  • 打卡等级:初来乍到
  • 打卡总天数:33
  • 打卡总奖励:131
 楼主| 发表于 2015-6-3 16:42:37 | 显示全部楼层
Andy108771 发表于 2015-6-3 15:08
负流量控制是为了减少主控制阀在中位时泵的流量,使泵的流量能够按照司机的操作,按需求提供,从而改善调速 ...

谢谢亲的回复。目前暂不考虑主机控制,主要是要将K3V112DT-5N泵改为K3V112DT-0E,需要做哪些变化?除了更换调节器,泵体是否需要考虑油道的改变?(根据主泵液压原理图,油道肯定是有改变的,但考虑川崎泵的通用性泵体应该相同?(因为没有电控正流量泵实物对比,所以不知是否能改装)
- 本文出自液压圈,原文地址:https://www.iyeya.cn/thread-25828-1-1.html
回复

使用道具 举报

  • 打卡等级:初来乍到
  • 打卡总天数:32
  • 打卡总奖励:234
发表于 2015-6-4 16:21:10 | 显示全部楼层
应该可以,我有拆检仔细对比过K3V63DT-12MR全功率控制泵和K3V63DT-9C0S带比例电磁阀,两台2泵的控制油道是一样的。调节器也只是后者在侧面加了个比例电磁阀而已,其它结构一样。当然,我没拆检过K3V112DT的泵,不知是否也一样
回复

使用道具 举报

  • 打卡等级:初来乍到
  • 打卡总天数:32
  • 打卡总奖励:234
发表于 2015-6-4 16:35:44 | 显示全部楼层
你左侧那个原理图小红色方框内的三位三通阀应该要画个弹簧吧,而且弹簧力应该调很高吧,只要这个阀跳了,恒功率阀就不起作用了,斜盘直接被压回来。
回复

使用道具 举报

发表于 2015-6-12 21:52:02 | 显示全部楼层
油道不一样,换提升器不行。
回复

使用道具 举报

  • 打卡等级:初来乍到
  • 打卡总天数:33
  • 打卡总奖励:131
 楼主| 发表于 2015-7-2 14:47:49 | 显示全部楼层
装甲车 发表于 2015-6-12 21:52
油道不一样,换提升器不行。

你好,确认不?因为我看过两种调节器与泵体配合面的油口数量与位置应该是一致的。
回复

使用道具 举报

您需要登录后才可以回帖 登录 | 立即注册

本版积分规则