设为首页
收藏本站
所有帖子
关于我们
联系我们
微信群
开启辅助访问
搜索
搜索
本版
用户
门户
Portal
资讯
液压资讯
观点
观点
产品
液压产品
技术
液压技术
合集
导读
Guide
下载
签到
金币
论坛
BBS
登录
立即注册
腾讯QQ
账号
自动登录
找回密码
密码
登录
立即注册
只需一步,快速开始
好友
动态
收藏
分享
帖子
日志
记录
相册
留言板
勋章
任务
道具
设置
退出
液压圈
»
论坛
›
液压系统
›
液压技术
›
求解两个液压系统的区别和优劣
负载敏感资料下载
|
液压培训资料下载
|
液压样本下载
|
AMESim资料下载
|
力士乐资料下载
|
挖掘机资料下载
|
标准资料下载
|
多路阀资料下载
返回列表
查看:
4316
|
回复:
3
求解两个液压系统的区别和优劣
[复制链接]
tyarist
tyarist
当前离线
积分
14
注册时间
2015-6-3
最后登录
1970-1-1
IP卡
狗仔卡
打卡等级:无名新人
打卡总天数:3
打卡总奖励:18
发表于 2015-6-3 16:10:33
|
显示全部楼层
|
阅读模式
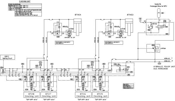
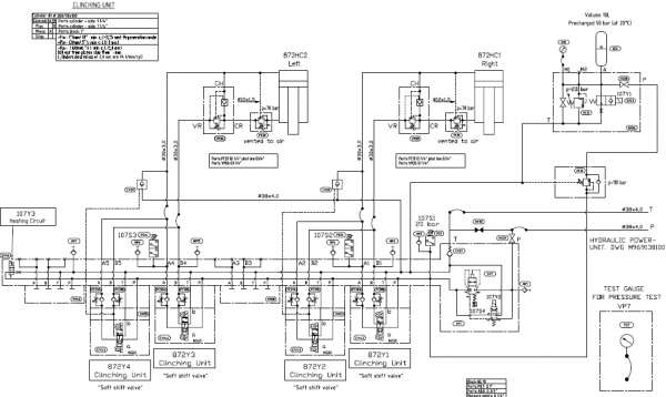
如下图有两个实现相同功能的
液压系统
,请教各位大神这两个液压系统之间的区别和优劣!感谢感谢!
系统1
系统2
回复
使用道具
举报
提升卡
置顶卡
变色卡
游勇
游勇
当前离线
积分
2577
注册时间
2011-7-5
最后登录
1970-1-1
IP卡
狗仔卡
打卡等级:初来乍到
打卡总天数:30
打卡总奖励:74
发表于 2015-6-3 19:52:47
|
显示全部楼层
两个系統主要分别是第一个加了先导止回阀作快排,但由于液压缸面积比不大,只有1.25:1,回油流量只多25%,所以第二个方案已可以。
回复
使用道具
举报
tyarist
tyarist
当前离线
积分
14
注册时间
2015-6-3
最后登录
1970-1-1
IP卡
狗仔卡
打卡等级:无名新人
打卡总天数:3
打卡总奖励:18
楼主
|
发表于 2015-6-4 11:04:41
|
显示全部楼层
非常感谢 受教!
回复
使用道具
举报
junfanhydraulic
junfanhydraulic
当前离线
积分
88
注册时间
2015-5-28
最后登录
1970-1-1
IP卡
狗仔卡
打卡等级:初来乍到
打卡总天数:32
打卡总奖励:234
发表于 2015-6-4 15:25:12
|
显示全部楼层
两个系统大同小异,一个区别是系统1无杆腔回油侧加了液控单向阀,流量大时可自动打开保证回油。第二个区别是进换向阀之前,压力油流量补偿,系统二的两位两通阀前后压差小于弹簧预紧力时能把压力油截掉。
回复
使用道具
举报
返回列表
高级模式
B
Color
Image
Link
Quote
Code
Smilies
您需要登录后才可以回帖
登录
|
立即注册
本版积分规则
发表回复
回帖后跳转到最后一页
浏览过的版块
公告区
AMESim
快速回复
返回顶部
返回列表