搜索
汉力达液压金币充值官方微信群液压资料下载
查看: 4962|回复: 8

求关于这阀的相关资料

[复制链接]
  • 打卡等级:无名新人
  • 打卡总天数:28
  • 打卡总奖励:168
发表于 2015-6-20 20:57:14 | 显示全部楼层 |阅读模式

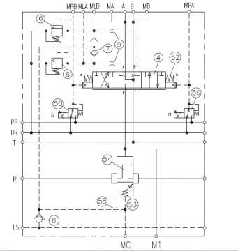
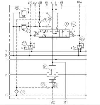
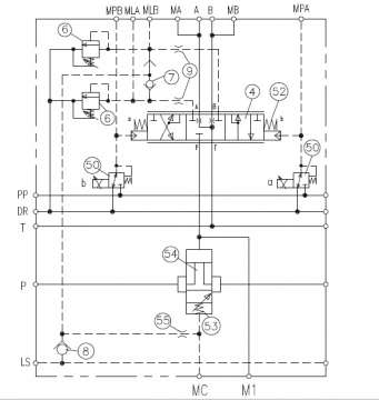
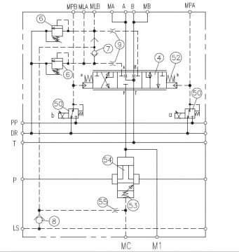
恒张力绞车上用到的阀

恒张力绞车上用到的阀

各位大神,有知道附件中阀的相关资料吗,最好能帮我推荐个厂家。
  • 打卡等级:无名新人
  • 打卡总天数:23
  • 打卡总奖励:122
发表于 2015-6-20 22:17:49 | 显示全部楼层
这应该是负载敏感式多路阀,可以看看哈威PSL或丹佛斯PVG系列的阀
回复

使用道具 举报

  • 打卡等级:无名新人
  • 打卡总天数:28
  • 打卡总奖励:168
 楼主| 发表于 2015-6-22 12:32:16 | 显示全部楼层
非常感谢,我已在丹佛斯的PVG系列比例阀中找到差不多的资料。
回复

使用道具 举报

发表于 2015-6-22 15:11:36 来自手机 | 显示全部楼层
你这个阀是谁家的啊?
回复

使用道具 举报

  • 打卡等级:偶尔看看
  • 打卡总天数:61
  • 打卡总奖励:386
发表于 2015-6-23 08:53:07 | 显示全部楼层
阀前补偿的负载敏感多路阀工作联  看看哈威和丹弗斯的样本  
注: 这个原理上很多道道哦  如补偿方式对比 压力切断工作原理 值得好好发散研究
回复

使用道具 举报

  • 打卡等级:无名新人
  • 打卡总天数:28
  • 打卡总奖励:168
 楼主| 发表于 2015-6-28 22:24:13 | 显示全部楼层
54号应该是一个压力补偿阀吧,但是看图中画的结构也不像。
回复

使用道具 举报

  • 打卡等级:初来乍到
  • 打卡总天数:32
  • 打卡总奖励:201
发表于 2015-6-30 08:08:31 | 显示全部楼层
我这边有哈威的资料,还需要吗
回复

使用道具 举报

发表于 2015-7-1 11:30:04 来自手机 | 显示全部楼层
Arven113 发表于 2015-6-28 22:24
54号应该是一个压力补偿阀吧,但是看图中画的结构也不像。

54是一个二通压力补偿阀啊,53哪个弹簧设定节流口前后固定的亚差
回复

使用道具 举报

  • 打卡等级:无名新人
  • 打卡总天数:28
  • 打卡总奖励:168
 楼主| 发表于 2015-8-23 19:38:00 | 显示全部楼层
kmhydraulic 发表于 2015-6-30 08:08
我这边有哈威的资料,还需要吗

谢谢!我这边资料也很多。
回复

使用道具 举报

您需要登录后才可以回帖 登录 | 立即注册

本版积分规则