搜索
汉力达液压金币充值官方微信群液压资料下载
查看: 9337|回复: 12

各位大神看下这个油路

[复制链接]
  • 打卡等级:偶尔看看
  • 打卡总天数:130
  • 打卡总奖励:874
发表于 2015-6-25 10:21:32 | 显示全部楼层 |阅读模式
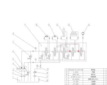
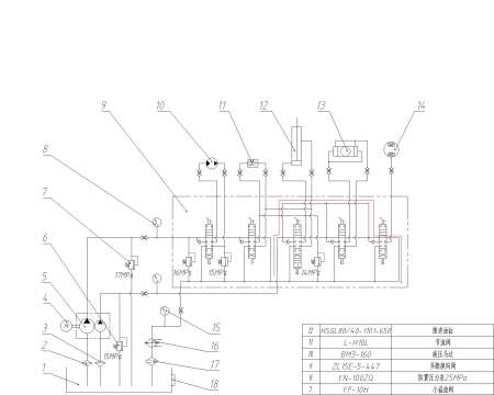
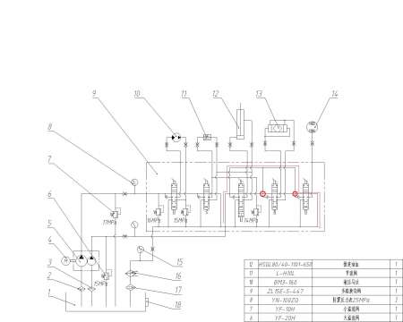
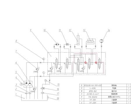
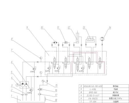
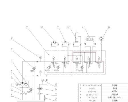
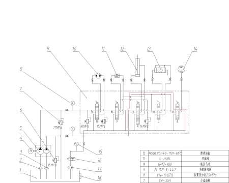
上面液压原理图多路阀是不是不对啊,我用红线标示了,大神帮我看下存在的问题!
  • 打卡等级:偶尔看看
  • 打卡总天数:130
  • 打卡总奖励:874
 楼主| 发表于 2015-6-25 10:22:57 | 显示全部楼层
C:\Documents and Settings\Administrator\桌面图挂了

回复

使用道具 举报

发表于 2015-6-25 11:19:17 来自手机 | 显示全部楼层
没看出来哪不对,你说你有啥疑问
回复

使用道具 举报

  • 打卡等级:无名新人
  • 打卡总天数:18
  • 打卡总奖励:112
发表于 2015-6-25 11:42:38 | 显示全部楼层
好复杂的样子!!看不懂!
回复

使用道具 举报

  • 打卡等级:偶尔看看
  • 打卡总天数:130
  • 打卡总奖励:874
 楼主| 发表于 2015-6-25 12:09:16 | 显示全部楼层
15662893069 发表于 2015-6-25 11:19
没看出来哪不对,你说你有啥疑问

红线处直接接邮箱,多路阀能运动吗?
回复

使用道具 举报

  • 打卡等级:偶尔看看
  • 打卡总天数:130
  • 打卡总奖励:874
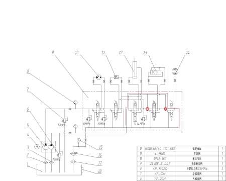
 楼主| 发表于 2015-6-25 12:27:40 | 显示全部楼层

C:\Documents and Settings\Administrator\桌面
大神看下是不是应该这样才对,红圈内的点去掉了,让两根管子不连接才行!
液压原理图.jpg
回复

使用道具 举报

发表于 2015-6-25 14:29:44 来自手机 | 显示全部楼层
不是啊,那是连的。这个图控制14制动器那个多路阀是控制全车操作的,好像是勾机坐左手边那阀它不在中位别的多路阀才有压力油的
回复

使用道具 举报

  • 打卡等级:无名新人
  • 打卡总天数:8
  • 打卡总奖励:62
发表于 2015-6-25 15:21:34 | 显示全部楼层
这个好像是钻机的液压原理图啊
回复

使用道具 举报

  • 打卡等级:初来乍到
  • 打卡总天数:39
  • 打卡总奖励:286
发表于 2015-6-25 21:38:03 | 显示全部楼层
是不是有这种可能,只有14处于某种状态,12和13才允许有动作

点评

同意。14工作中***才能工作。  发表于 2015-6-26 01:10
回复

使用道具 举报

  • 打卡等级:偶尔看看
  • 打卡总天数:130
  • 打卡总奖励:874
 楼主| 发表于 2015-6-26 08:04:08 | 显示全部楼层
大眼睛 发表于 2015-6-25 21:38
是不是有这种可能,只有14处于某种状态,12和13才允许有动作

不是,这组多路阀我正在用,
回复

使用道具 举报

您需要登录后才可以回帖 登录 | 立即注册

本版积分规则